Hallo!
Bin nun nach gut sieben Monaten mit meinen fertig und will mich auch einem Club oder Verein anschließen! Kennt jemand einen in der Nähe von Erbach im Odw. ICh selbst komm aus Brombachtal, wenn das jemand kennt.
Gruß Lutz
Hallo!
Bin nun nach gut sieben Monaten mit meinen fertig und will mich auch einem Club oder Verein anschließen! Kennt jemand einen in der Nähe von Erbach im Odw. ICh selbst komm aus Brombachtal, wenn das jemand kennt.
Gruß Lutz
Zitatder 53 PS ist der Mayfair unter den Einspritzern. Verbaut z.b. im British Open und einigen "billigeren" Sondermodellen. Anfangs war der 63 PS Motor den "Cooper" Modellen verbehalten wurde aber später immer verbaut.
Also der Motor ist Bj. 95. Wurden da schon alle mit den 63 Pferdchen bestückt? Weil ein Cooper war es glaub ich nicht. Habe den aus Belgien und auch nur Belgische Unterlagen wo ich nicht schlau ( also mit PS zahlen und so) werde. Ein Fahrzeugschein wie ich ihn kenn gibt es dort nicht, sagte er. Wenn sich damit jemand auskennt kann ich ihm zur besseren Diagnosevdie mal schicken.
![]()
... für die Tip´s, mal sehen was ich machen werde. Aber gibt es gar keinen äuseren Merkmale? Wie das mit dem Sicherungskasten, der ist auch vom Spender MINI. Oder gibt es überhaupt den SPI in zwei Versionen, also mit 53 oder 63 PS.
Ich habe mal gehört, daß der mit Kat 53 hat und ohne 63PS. Das wären immerhin 10PS die flöten gingen. Oder hat der SPI immer 63 PS oder wie, oder wo und warum überhaupt......?![]()
Gruß an alle Schrauber die dem Verfall entgegenwirken
Ja leider die fehlt ja, abgerostet! Den Spi gibt es ja mit den fliegenden Sicherungen und einem Sicherungskasten mit vier oder fünf Stück drin. Dann gibt es noch die Version mit einem Kasten wo dann an die 30 Sicherungen (heutinge Standart Sicherungen) drin sind. Ich habe die zweite Version. Ist das vieleicht ein Anhaltspunkt? Oder hatten nur die Vergaser 13hunderter 53PS. Ich hab kein Plan.....
Gruß Lutz
Vor kurzem habe ich meinem Kleinen einen neuen Motor spendiert, doch wie viel PS hat er?
Es ist ein SPI doch, so meinen ich zu Wissen, gibt es den mit 53 und 63 PS. An was kann ich erkennen was es für einer ist.
Der Schrottler hatte keine Ahnung und keine unterlagen von dem Spender.
Dank in Vorraus für ne Hilfe.
Gruß Lutz:p
... vielecht liegen irgendwo Kabel blank! Mal an Stellen schauen wo sie über Metallteile verlegt sind und durch Scheuern die Isolierung weg ist. Oder es ist wirklich noch ein anderes Gerät kaputt der den Fehler ausgelöst hat. Wenn du einen Schaltplan von dem Steuergrät hast kann man ja mal nachschauen was mit dem Transitor geschaltet wird und Nachforschungen anstellen.
Denn wenn das nicht geklärt ist, geht das Neue auch über den Jordan.
Viel Glück :p
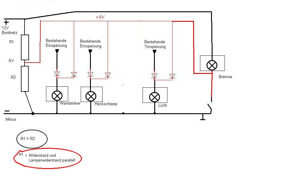
Hier noch ein möglicher Bauplan um auch die Bremskontrolle leuchten zu lassen. Ist aber nicht die beste Lösung
Ps: R1 ist der Gesamtwiderstand der Parallelschaltung der drei Lampeninnenwiderständ und dem Widerstand!
R2 ist der Gesamtwiderstand der Parallelschaltung von R2 und des Lampewiderstand.
Beider Gesamtwiderstände müssen gleich groß sein R1=R2
Heikel heikel, wo ja auch jede Lampe gleich ist......
Oder es wird im Heck ein ausgetüfteltes Verfahren angewand, bei dem Metül entsteht, zwecks Antrieb. Bauanleitung findet man ja in der Bücherei unter WERNER. Das Abfallproduckt, der Schnaps, wird über die Wischwasserdüsen dem Fahrer zugeführt. Ein weiterer Grund für die störende Scheibe. Nicht jeder wil sich so verrenken wie Mister Been beim Zähneputzen, oder?
Was man alles so sieht in der Fasnachtszeit.....
Gruß und Tusch:D
Mmmm, aber ein Gestell aus Metall muß dann aber auch noch rein, oder?!. Es gibt ja Autos als Bausätze zu kaufen. Der Aufbau ist da glaub ich auch aus dem oder vergleichbare Materialien. Aber alle haben eine Bodengruppe aus Metall.
So wurde ja schon aus dem einen oder anderen VW Käfer ein Sportauto. Käferaufbau weg, selbstgebastelte Aufbau aus Hasendraht und Pappmaschee drauf. Mit den vier Schrauben fixiert und fertig ist Papas neuer Wagen (?)
Naja....![]()
Aber das mit der Bodengruppe vom Käfer stimmt.
Halt Nur mit em gescheiten Aufbau der sich nicht beim waschen auflöst!
Gruß Lutz :p
..mit den Bauteilen.
Ich kann Dir direkt auch nicht helfen, habe ein SPI, aber mit der Bauteilbeschaffung ist oft nicht so einfach. Meine Erfahrung mit solchen Dingen sind die, das man diese Bauteile meist nicht im Handel bekommt (IC´s und Transitoren usw.) Die Wiederstände sind da eher ein wenigeres Problem.
Aber vielecht ist es ja ein Feld-und-Wiesen-Transistor der hinüber ist. Also ein sandart Teil. Schade ist dann halt auch wenn Du Dir den (vielecht teuren) Transitor gekauft und eingebaut hast und dann sind noch mehr Sachen hinüber (zB IC´s).
Und Wichtig, wie oben schon gesagt worden ist, Ursache finden!
Ohne Grund raucht selten was ab!
Schraubergrüße Lutz:p
.. kann ih mir vorstellen, nur was nun?
Wo bekomm ich die ABE her. Oder hat der Tüv ein Katalog mit ner Auswahl? Ist das teuer die extra begutachten zu lassen?
So ein Mist aber auch...
Gruß Lutz:p
. mach das mal. Schon mal etwas besser wie gar nix. Meine E-Mail Adresse ist ja angegeben!
Danke im Vorraus!
Gruß Lutz:p
.. habe jetzt in der Suchfunktion das passende gefunden.
Ich werden die Sache mal lieber mit 1:10 angehen. Is schon besser, denn ab ist ab. Ist ja auch nicht viel, so ein bis ein,einhalb muß er runter.
Danke für die Tip´s
Schraubergrüße Lutz:p
.. die Felge passt. Hat kein Spiel oder ist zu klein. Die Messung ergab den genannten Mini-Lochkreis. Werden die noch hergestellt oder kann man beim Felgenfachhandel so was anfordern?
Gruß Lutz
Hab mal ne Frage und zwar man kann den Mini doch auch etwas tiefer machen wenn man die Trompeten kürzt. Da gibt es ja ein Verhältnis zur Tieverlegung und des abgesägten. Wie ist denn das Verhältnis. Mich würde am meisten das für hinten interessieren. Das stand auch mal irgendwo, aber ich weiß net mehr wo ![]()
Gruß Lutz
Hallo Leutz?
Bin auf der Suche nach der ABE für die 13" Weller-Felgen.
Könnt ihr mir sagen wo ich die herbekomm.
Gruß Lutz
..kann ich jetzt gar nix zu sagen. Ich habe meine am Sonntag geholt und gleich mal drangeschraubt. Nicht schlecht für Stahlfelge, mal was Anderes als Alu! Nur leider ohne ABE:( .
Kann mir einer sagen wo man eine aus dem Netz oder zu halt herbekommt!
Danke im Vorraus.
Schraubergrüße Lutz
...wenn ich Verbreiterungen dran mach, dann (nach meinem Wissen) muß diese doch nur die Lauffläche, quasi das Profil bedecken. Oder muß der ganze Reifen mit Felge darunterfallen.
Gruß Lutz
... hab ich verwechselt. Ja es sind 3zehner mit den Reifen 175/50
Da kommt man voll dureinander, bin gerade am Felgensuchen und da hört man nur noch 175/70..175/50 ..... 325/10
-----> Ok das is zu fett......
Gruß Lutz
Danke für eure Hilfe!
Ja die mit den Dreiecken sind´s. Ich werde sie mir morgen mal ansehen und warscheinlich auch kaufen. Es sind 13" mit 175/70.
Was meint ihr, passen die zum Mini der etwas Sportlich sein soll?
Gruß Lutz