Status .. ich beziehe mich auf
Title

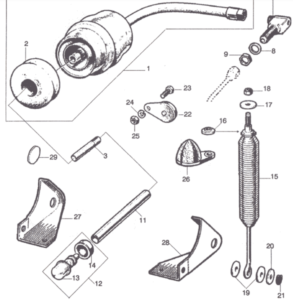
Der „Gear lever retainer No 27“ ist anscheinend falsch herum eingebaut und schaut etwas anders aus. Drehen möglich ..dürfte an der Funktion nichts ändern.
An dem stützt sich die Feder No 26 direkt ab (kein Kunststoffteil welches die Federenden führt wie No23) , geführt durch das Distance piece No 25. Kegelseitig wird die Feder durch den „Nylon Flange No 23 gehalten und geführt.
Insgesamt ist das nicht straff .. und hat auf der Kugel des Schaltknaufs Spiel..
Gear lever Seal (No 24) ist vorhanden und iO.

Ich würde jetzt den Retainer anders herum montieren und zwischen Retainer und Distance Piece eine Gummieinlage aus einem Fahrradschlauch setzen. Einen passenden Kupferdichtring zur Erhöhung der Federvorspannung habe ich nicht da…
Falls kurzfristig zu bekommen würde ich noch „Anti rattle brass …“ verbauen