ist ein Problem, das wohl alle Besitzer dieser "B.O." haben. Der Bezug schrumpft, v.a wenn der Kleine oft in der Sonne steht.
Wenn es interessiert, was ein "Privatschrauber" dazu zu sagen hat (ist m.E. der Sinn dieses Forums), hier weiterlesen.
Als erstes empfehle ich, die Service-Anleitung genau zu lesen, denn man muß verstehen, wie es funktioniert, wenn man dran rumbasteln will. Die (und so manches andere) gibt es dankenswerterweise hier:
http://www.allbrit.de/downloads.cfm - dort "Webasto.AeroTop1.Service.pdf" suchen. Serienmäßig war immer das Webasto AeroTop1 verbaut, aber manche haben z.B. AeroTop2 nachgerüstet, auch dafür wird man bei Allbrit fündig.
Vorsicht! Wenn man innen am Faltdach arbeitet, reißt schnell der Himmel ein, also den immer großzügig von der Schiene lösen, angeklebt ist er dann schnell wieder. Sollte der Himmel gewechselt werden müssen, was eine tüchtige Arbeit ist, kommt das nächste Problem, den gibt es so nicht, entweder man nimmt einen von der Limousine und muß mit den Schweißnähten leben oder man läßt sich von Newton Commerce einen anfertigen. Ich war mit deren Arbeit zufrieden, ca. 120,-€, allerdings keine 100%ige Paßform, aber das kann man bei Nachbauten wohl auch nicht erwarten.
Wenn für das Einstellen durch Verschieben der hinteren Befestigungsschiene die Langlöcher nicht ausreichen (so wie bei mir), kann man mit etwas Geschick und einer Rundfeile die auch nach vorn verlängern. Aber es ist schon ein Kunststück, die Kreuzschlitzschrauben zu lösen, wenn das Dach älter ist, daher habe ich die bei mir durch Inbus ersetzt.
Auch habe ich die ab Werk verschlossenen Ablaufstutzen mit PVC-Schlauch bis in die Radkästen geführt, damit man in der Autowäsche nicht immer naß wird. Die Alu-Schiene sowie die Führungsrolle vorn brauchen ab und zu mal etwas Schmierung, ein Tropfen Öl (Rest aus der Flasche) reicht.
Allerdings schließt mein Dach auch nach der Justierung nicht immer vollständig (ich habe auch den Eindruck, daß der Motor mit der Zeit nachläßt), da habe ich mir vorn in der Mitte mit einem Blechwinkel innen einen kleinen Knopf angebracht und helfe bei Bedarf mit der Hand nach.
Frohes Schaffen!
Beiträge von BritishOpen92
-
-
kann man jederzeit auch ohne Demontage des Kopfs wechseln, sofern die Ventile ok sind. Einen Adapter für die Kerzenöffnung anfertigen (z.B. aus einer alten Kerze) und ein paar bar Druckluft rein (Kompressor), das drückt die Ventile fest in ihren Sitz. Die Federteller mit leichten diagonalen Hammerschlägen von den Keilen lockern. Wenn alles erledigt ist, den Motor erst mal etwas im Leerlauf tuckern lassen, weil durch das blowby am Kolben möglicherweise der Ölfilm an den Zylindern weggeblasen ist.
Aber ohne Dich in Panik versetzen zu wollen: Wer fährt einen Motor nur 200km zur Probe und baut ihn dann wieder aus? Wenn dafür kein nachvollziehbarer Grund vorhanden ist (z.B. Unfall mit Totalschaden) würde ich den Motor zerlegen, also mindestens Kopf ab, Zylinder messen, Kupplung und Zwischenrad prüfen. Da legst Du nur ein paar Piepen für die Dichtungen drauf, anderenfalls darfst Du u.U. das ganze noch einmal ausbauen... -
da wirst Du wohl um einen neuen Kat nicht herumkommen, ist ja mit ca. 120,- auch bezahlbar (in GB ist er evtl. billiger, aber da kommt ja noch Porto hinzu und vor allem der Zeitfaktor!!!). Wie alt ist denn Deiner? Bei mir waren letztens (200 tkm und 20 Jahre) die Werte bei der AU auch immer nur im -zigsten Anlauf und geradeso zu schaffen. Nach dem Anlassen habe ich auch CO-Werte von weit über 1%, die gehen dann aber zurück, wenn der Kat sich erwärmt. Ändert sich denn der CO-Wert oder bleibt er bei 1,21 stehen?
-
ok, daß die Batterie bei Dir dort ist, habe ich nicht gewußt, so daß ein Hauptschalter (auch als Diebstahlschutz) dort eine sinnvolle Lösung wäre. Allerdings sehe ich ein im Inneren verlaufendes Batteriekabel nicht als so gefährdet an, bei mir war es harter Kontakt mit gefrorenem Boden.
Zu den Sicherungen. Schmelzsicherungen sprechen durch das Zeitintegral des Stroms an, d.h. populärwissenschaftlich durch das Produkt von Strom und Zeit. 800A als Angabe auf einer Batterie stellt den maximal möglichen Strom dar, den diese Batterie schadlos abgeben kann (und diese Angaben sind auch meist etwas geschönt). Solche Ströme fließen jedoch nur längere Zeit, wenn auch ein entsprechender Anlasser dranhängt, also größerer Diesel, z.B. LKW. Immerhin entspricht das einer Leistung von ca. 6 - 8kW oder um die 10 PS. Beim Einschalten des Anlassers beim Mini fließt natürlich ein großer Strom, der aber 300A nicht wesentlich überschreiten dürfte (ich messe das mal bei Gelegenheit). Sobald der Anlasser dreht, sinkt der Strom erheblich ab auf ca. 100 ... 200 A, das hängt von der augenblicklichen Drehzahl ab, wenn er gegen die Kompression arbeitet, wird es mehr, nach dem OT weniger.
Diese Ströme fließen aber nur kurzzeitig, eine 200-A-Blattsicherung fliegt dabei mit Sicherheit nicht durch, man könnte auch eine 100A versuchen, die Dinger kosten ja nicht viel. Ob aber bei einem Kurzschluß die Sicherung auch einen Brand verhüten wird, wage ich nicht zu behaupten, denn auch da fließt der Strom nur kurzzeitig, und durch das abschmelzende Material wird der Lichtbogen schnell länger und verlischt. Das kann aber schon reichen, um leicht entzündliches Material wie z.B. Bitumen (Unterbodenschutz wie bei mir) zu entzünden.
Fazit: Trennschalter ist in Deinem Fall wohl eine saubere Lösung, erlaubt z.B. auch nach einem Unfall oder Hochwasser (was ich natürlich keinem wünsche!) das Abschalten zur Vermeidung von Folgeschäden... -
Naja, aber wie groß ist denn die Gefahr? Wer klaut denn ein erstens so altes und zweitens so auffälliges und drittens so seltenes Auto? Ich schließe meinen Mini nicht einmal mehr ab...
-
Die meisten Batterietrennschalter, die ich kenne, unterbrechen das Massekabel, den müßtest Du aber in den Kofferraum einbauen und jedesmal erst mal dort hinten fummeln. Auch bedenke, daß viele Radios das Abschalten der Batterie durch Speicherverlust und ggf. Code-Aktivierung quittieren. Ich weiß auch nicht, ob die Motorsteuerung irgenwelche Lernwerte speichert und die dann durch die Trennung verliert (aber Experten wissen das sicher!). Mein SPI jedenfalls läuft nach Batteriewechsel immer erst mal schlecht, warum auch immer...
Sicherungsautomat, naja, aber für einen Nennstrom >200A? Für LKWs gab es mal Streifensicherungen oder Blattsicherungen. Auch die größeren Mercedes-PKW mit ihren Riesenbatterien haben so etwas.
Oder nimm Cadillock, das ist ein Trennschalter, der erst bei einem unbefugten Startversuch (also wenn man ihn vor dem Anlassen nicht über Funk aktiviert hat) die Batterie trennt.
Mein Mini war übrigens mal durch Beschädigung des Pluskabels im Bereich des vorderen Hilfsrahmens durch einen Aufsetzer in Brand geraten. Da das während der Fahrt passierte, hätte ein Trennschalter das nicht verhindert, ob eine Sicherung was genützt hätte, erscheint mir zumindest fraglich, da das nur ein ganz kurzer Kontakt war und auch mit Sicherung hätte es ordentlich gefunkt. Das Feuer war übrigens schnell gelöscht und hatte keine weiteren Folgen, das Kabel mußte natürlich gewechselt werden. -
Ich habe einfach mal unterstellt, daß Du eine Drehstrom-Lichtmaschine (kurz und dick) hast, sollte es eine ältere Gleichstrom-Lima (lang und schlank) sein, dann stimmt das natürlich nicht...
-
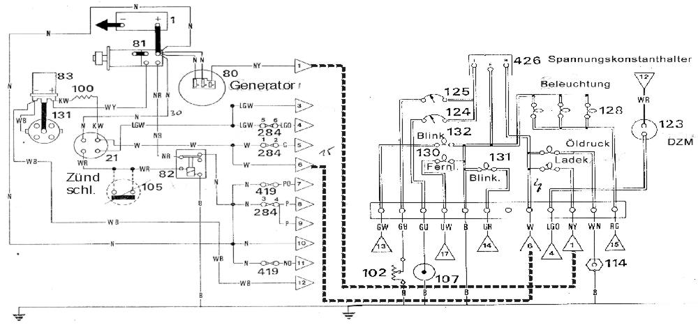
Hier ist die Schaltung, die habe ich aus 2 Scans zusammengesetzt. Dazu noch einmal eine Prinzipskizze, damit der Defekt verständlich wird. Da sich die Elektrik beim Mini mehrfach geändert hat, kann es aber sein, daß das nicht 100%ig mit Deiner Version übereinstimmt. Aber das Prinzip dürfte immer dasselbe geblieben sein. Die Ladekontrolle liegt zwischen den Klemmen 15 (Zündung) und D+ (Dynamo Plus - das ist die Hilfsspannung, die durch die Erregerdioden gebildet wird). Bei stehendem Motor und eingeschalteter Zündung fließt der Strom wie mit den blauen Leitungen gezeigt, also von Plus Batterie über Zündschloß und Ladekontrolle zum Generator und da drin über Regler und Erregerwicklung an Masse. Läuft der Motor, wird in den Wicklungen Spannung induziert, dadurch liegt an D+ eine Gleichspannung (typisch 13,5 ... 14,5V), somit geht die Ladekontrolle aus (was aber nicht unbedingt heißen muß, daß nun auch die Batterie geladen wird, der Name ist irreführend!)
Wenn sie aber bei stehendem Motor leuchtet, kommt eigentlich nur der Strompfad in Frage, der mit der schwarzen Strichellinie angedeutet ist. Fazit: Mindestens eine Plusdiode (grün eingerahmt) ist durch.
Das ist mit dem Tausch des Reglers aber nicht getan, weil diese Dioden im Inneren des Generators liegen. Die kann man zwar wechseln, aber Dein Generator gehört in die Hand eines Experten, denn durch die kaputte Diode können Folgeschäden in der Wicklung eingetreten sein, da muß geprüft werden.
Auch würde ich nach der Ursache für die kaputte Diode forschen, die fliegen gern bei einem Lastabwurf durch (plötzliche Unterbrechung einer Leitung, die größeren Strom führt), also überprüfe alle Leitungen zur Batterie, vor allem das Massekabel oder zieh zur Sicherheit gleich ein zweites. Original ist die Masseverbindung am oberen Knochen, dort bricht ganz gern mal die Schraube, was von außen nicht so einfach festzustellen ist, aber dabei wird die elektrische Verbindung unsicher.
Frohes Schaffen! -
so etwas ist mir zwar noch nicht passiert, und ich kann mir auch keinen Grund dafür vorstellen, aber ich weiß, daß diese Konsole (wo alle Schalter drin sind) hinten 2x so eine Art Stehbolzen hat, womit sie dann mit dem Blech dahinter verschraubt ist (zöllige Muttern). Evtl. ist diese Konsole falsch herum montiert? Aber evtl. könnte es helfen, sie auszubauen und mit ein paar U-Scheiben die Position zu verändern...
-
wenn die Kupplung am Ende ist, ist dieses Verhalten einigermaßen normal, denn der Haftreibungsbeiwert (µ Haft) ist immer größer, als der bei Gleitreibung (µ Gleit). Habe ich zwar an meinem Mini noch nicht erlebt, aber an anderen Autos war es ebenso.
-
"In 2008 wurden 28,2 Prozent des Energieverbrauchs in Deutschland im Verkehr genutzt. Davon entfielen 82,3 Prozent auf den Straßenverkehr."
Sagt die offizielle Statistik der Bundesrepublik.
D.h.: Würden alle Autos mit den gleichen Fahrleistungen usw. elektrisch betrieben, müßte die Stromproduktion um 23,2% gesteigert werden. Dabei ist noch nicht berücksichtigt, daß E-Autos ja auch beheizt werden müssen (was bei den meisten herkömmlichen Autos durch Abwärme, also ohne zusätzlichen Energieverbrauch erfolgt). Also 2% ist sehr fragwürdig, 10% trifft allenfalls zu, wenn man nur die Stadtpendler elektrifizieren würde. Viel mehr ist ohnehin nicht sehr sinnvoll.
Gruß, Chr.(20 Jahre Mini und 10 Jahre Prius haben der Umwelt bisher 16,6t CO2 erspart)
-
da ist sicher der Draht im Tankgeber (Suchfunktion) durchgescheuert. Hat aber mit der Temp.-Anzeige nichts zu tun, da muß irgendwo anders der Kupferwurm genagt haben...
-
ist bei vielen Minis ein Problem. die Batterie wird vom Generator während der Fahrt geladen, aber bereits geringste Übergangswiderstände können das verhindern, v.a. bei den Masseverbindungen. Mit einem Multimeter findet man das aber ziemlich schnell...
Viel Glück! -
Habe seit rund 200tkm meine 4 Zusatzscheinwerfer zum Grill hin abgestützt, einfach an der passenden Stelle ein Loch gebohrt, Nietmutter M5 eingepreßt, aus einem 5er Edelstahldraht passende Stifte geschnitten (Gewindestange geht auch), und die dann von dort zu den Scheinwerfern geführt. Hält und rostet (fast) nicht. Eine Erneuerung war nur wegen eines Unfalls nötig...
-
In den Neunzigern gab es einen Witz: "America has Bill Clinton. America has Johnny Cash. America has Stevie Wonder. America has Bob Hope. Germany has Helmut Kohl. No cash, no wonder, no hope..."
Aber es gibt jetzt Hoffnung für die "british open"-Fahrer, sollten sie genau wie ich trouble mit dem Stoff ihrer Teilleder-Sitze haben.
Ich habe mit einem Muster etliche Webereien abgeklappert und habe tatsächlich eine gefunden, die ein Herz für die kleinen Briten hat. Habe heute die ersten Versuche bemustert, und kann allen, die es wollen, Ersatz für die Sitzflächen anbieten. Handgewebter Stoff, Mischgewebe Leinen/Baumwolle, vom Original praktisch nicht zu unterscheiden, mit 14 Fäden/cm auch recht (verschleiß)fest. Ein Stück, ca. 30x110cm (also für einen Sitz incl. Lehne) für ca. 60...70€ (hängt vom Bedarf ab), andere Maße auf Anfrage.
Also bitte melde Dich! Lieferzeit ca. 3 Monate (kann allerdings auch etwas länger dauern). Wer sich von der Qualität überzeugen will, kann auch ein (allerdings kostenpflichtiges) Muster bekommen.
By the way, wie bekommt man die Kopfstützen raus? -
"Vermutlich laufen die spürbar heißer (Kühlsystem) als der Rest..."
Natürlich werden die A-Ventile erheblich heißer, das liegt aber nicht am Kühlsystem, sondern daran, weil sie von den heißen Abgasen umströmt werden, bei manchen Motoren sind die A-Ventile ja auch mit Natrium gefüllt, das im Betrieb schmilzt und so eine gute Wärmeableitung ermöglicht. Auf jeden Fall austauschen. -
Bei mir haben die Schrauben der Fangbänder der Heckklappe immer eine metallisch blanke Oberfläche und eine gute Masseverbindung gehabt.
Die Knallgasentwicklung dürfte nur dann kritisch werden, wenn die Batterie längere Zeit überladen wurde, bis ca. 80% (=14V bei 20°C) ist das unerheblich. -
.. sind etwas schräg, daher ging die Mutter nicht drauf. M5 paßt tatsächlich ohne Probleme. Nochmals Danke!
mfg, Chr. -
Etwa zeitgleich mit dem einseitigen Lösen der Schalterleiste lag bei mir im Fußraum so eine Mutter mit Bund, die ohne Schwierigkeiten auf eine M5er Schraube ging. Aber trotz aller Mühe gelingt es mir nicht, diese Mutter auf den Stehbolzen zu kriegen. Ich sehe (über einen Spiegel) den Bolzen durch das entsprechende Loch mit mindestens 4 ... 5 Gewindegängen durchgucken, setze mit entsprechender Nuß die Mutter an, drehe bis zum Blödwerden, aber sie faßt nicht...
-
Hallo, an der Schalterleiste sind hinten 2 Blechwinkel mit so einer Art Stehbolzen dran, womit die dann mit 2 Muttern festgeschraubt sind. Weiß jemand, was das für ein Gewinde ist?
Danke!