Beiträge von Ronhill
-
-
Ich nehme die Sonnenblenden...
-
Hallo Mini Gemeinde,
mein Motor ist jetzt nach Getriebe wechseln wieder einsatzbereit, jetzt hab ich bei der firma Valvoline 10liter 20w50 mineral Öl bestellt und die haben mir jetzt 20w50 syntetisches Öl geschickt...aus begründung dass es kein Mineral öl bei ihnen mehr gäbe...jetzt zur frage..kann ich dieses trotzdem benutzen? oder sofort dieses Verkaufen und bei einem minishop ein mineralisches Kaufen?
danke vielmals
Grüße PatDie eigentliche Frage ist noch nicht beantwortet!
Ist es bei nem 20W50 egal ob es systetisch ist oder nicht?
Ich würde sagen ja.
Es kommt ja darauf an welche Bestandteile das Öl hat und im Falle des
Minis auf die Scherfestigkeit - siehe der gepostete .pdf- Ölbeitrag von Wovie.
Wenn Dein syntetisches Öl diese Eigenschaften erfüllt, warum nicht.Allerdings muß man ja das Rad nicht immer neu erfinden und kann auf bewährte Sachen wie
Millers Oils zurückgreifen, die ja auch von bekannten Forenteilnehmern im Rennsport gefahren
und empfolen werden.Ich würde das syntetische nicht nehmen und auf altbewärtes zurückgreifen.
Allerdings kippe ich meine Restbestände von Castrol 10W50 gegen Ende der Saison nach,
bevor ich denn im Oktober nen Ölwechsel mache. Das würde ich auch mit den übrigen 10 Litern
syntetisches 20W50 machen.soweit so gut - 10 Menschen 10 Meinungen
-
So. Die Motolita Lenkradnabe für die MPI-Lenksäule ist da! Jublfreu!
Und mit ihr kam ein wunderschöner Hupenknopf, mit dem man locker
aufgrund der massivheit ne Schaufensterscheibe einwerfen kann.
Doch sehet selbst:
Ich werde morgen mal alles zusammenbauen und dann ein Foto mit Lenksäule,
Verkleidung und Lenkstöcken machen. Ich muß jetzt nur noch nen Schleifkontakt für
die Hupe basteln oder bestellen.
Danach wird der ganze Käse mit dem SPI-Kabelbaum verbunden und die Funktionen
von Lichtschalter, der ja bei allen anderen Minis in der "Mittelkonsole" sitzt, die Hupe,
die ja beim SPI am Lenkstock ist und sich jetzt im Lenkrad befindet und die Intervallschaltung
vom Scheibenwischer realisiert. Sollte kein Problem sein, da ich ja dank Faxe nen
MPI-Kabelbaum mit den nötigen Relais rumliegen habe.Greetings!
-
Ich finde die Wurzelholzblende an sich bissle schäbig. Schöner finde ich das hier.
https://www.ebay.de/itm/Wurzelholz…WI~lD:rk:9:pf:0
Hab ich mir bestellt - ist allerdings mit meiner Lieferung noch nicht mitgekommen, da nach
Aussage des Meisters (Bruno Onaissi ) es aufgrund der filigranität auswärts gefertigt wird
und halt noch dauert...
Ich gebe Bescheid wenn's eintrudelt.Zum Einbau des Mittelgedönses - was ich jetzt auch schon mehrmals gemacht habe - kann
ich sagen:Beide "Festschraubwinkel" lockern, vorher zwei Bier, die Bier kurz einwirken lassen und dann mit der
Nuß auf kurzer Verlängerung reindödeln. Es ist viel erzwungene Ruhe und Gelassenheit nötig. -
Ich glaub' es geht schon wieder los....
... aber das Castrol 10W50 vom Lupiter hab' ich auch zum nachkippen...
-
Griazi!
Ich suche eine Heizung ab Baujahr 94, da ich gelesen habe, daß diese aus Kunststoff sind
und nicht mehr so viel Lärm machen wie die älteren Blechkisten.Hat jemand sowas rumliegen oder eine gute Alternative?
Die "Universal Heater Unit" von Minispares und Co. kenne ich schon.
Außerdem gibt es da doch noch mehrstufige Gebläsesteuerungen.
Wer sowas zu verkaufen hat kann bitte auch Bescheid sagen.Gruß Ronny
-
...was ja auch ne Preisfrage ist...
-
Ich denke das fällt halt auch nur Leuten auf, die gern sauber arbeiten,eher selbst Handwerker sind
und auch vom jeweiligen Fachgebiet - hier Elektrik - ne Ahnung haben.Ich habe noch KEINE Werkstatt kennengelernt die ALLES gut kann.
Es ist halt ein Unterschied ob man mit Herzblut und Ruhe in seiner Werkstatt/Garage sein
Schätzchen perfektioniert oder im Falle einer Werkstatt die Zeit im Rücken hat.
Wobei der Elektropfusch sicherlich keiner Werkstatt entsprungen ist.Einen unverbastelten, klassischen Mini zu finden ist denke ich eher die Ausnahme.
-
Danke Euch!!
Und das tolle ist, man kann bei acht Wochen Lieferzeit die Vorfreude so richtig genießen!
-
-
Danke Dir!
Ist leider nicht mehr im Sortiment zu finden, nur der Hupenknopf dafür.
Ich hab aber mal ne Mail geschickt. Das Ding heißt "air bag conversion kit".
Gruß Ronny
-
Guten Tag!
Ich suche für die Motolita-Lenkrader eine Nabe, die auf ne MPI-Lenksäule mit der kleineren 15mm-Verzahnung paßt und idealerweise auch die
Rückstellung vom Blinker mit betätigt.Welche anderen Autos benutzen noch diese 15mm Lenksäulenverzahnungen? Vielleicht findet man ja was von einem anderen Hersteller.
Gibt es einen Adapter von 19mm auf 15mm Verzahnung?
Ich weiß, das es ein paar Beiträge zu diesem Thema gibt - es gab aber keine richtige Lösung. Oder hab ich was übersehen?
Gruß Ronny
-
...und ich bin deshalb schon stehen geblieben. Man lernt halt nie aus.
Danke für die Infos...
-
Wie sieht so ein Spritzwasserschutz aus?
-
Mahlzeit!
Mich würde mal interessieren ob es möglich ist ne 300 Grad Nockenwelle alltagsmäßig - ich meine damit als Sommerspaßauto zum Einkaufen,
Stadt, Lanstraße - also ohne Winter - oder regelmäßigen Regeneinsatz zu fahren?Kann die Hochhubkipphebelwelle drin bleiben?
Gruß Ronny
-
Hast ne Pn...
-
...und die Ansaugbrücke ist wirklich für nen mini SPi? Biste da sicher?
-
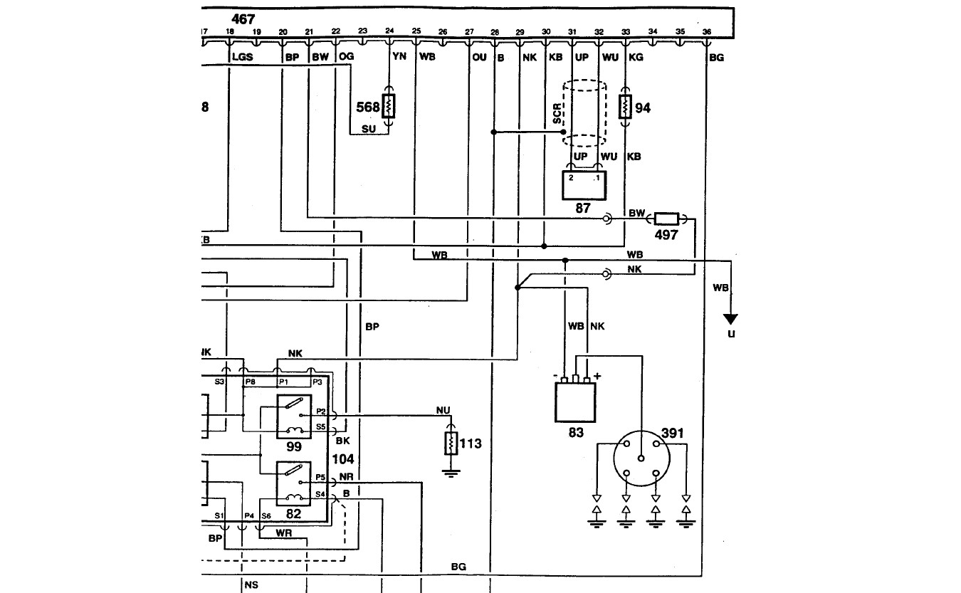
Servus, Griazi und Juhee!
Ich will meinen 93er SPi von zwei-Stecker-Steuergerät(MEMS1.3) auf ein-Stecker-Steuergerät(MEMS1.6) umbauen.
Deshalb habe ich die Schaltpläne studiert und dabei ist mir aufgefallen, das beim Schaltplan_SPI_MEMS1.6.pdf,
welcher bei Allbrit donwloadbar ist, von Hand die Pins 28 und 29 vertauscht sind.
Im Schaltplan (SPI mit MEMS1.6) "Mini-Repair-Manual.pdf" ist das nicht so.
Im Schaltplan von meiner MEMS1.3 ECU ist die Pinbelegung so wie bei den korrigieren Pins vom Allbrit-Schaltplan, alsoPin28 geht zur großen Relaisbox und schaltet die Relaisspule vom Manifold Heater Relais, dann auf den Schließer
vom Main Relay, dann Spule Oxygen Sensor Relay und zum Steppermotor.
Pin 29 geht auf den Schirm vom Kurbelwellensensor und dann auf Karosseriemasse.Was ist richtig? Gibt es einen Unterschied zwischen MEMS1.6 mit kleinen - und MEMS1.6 mit großen Sicherungskasten?
Wer weiß was?
Gruß Ronny
-
Ist der Mini noch zu haben?