So, endlich ist meine Sylvie (fast) fertig. Neues Tachoei mit Drehzahlmesser installiert, Sitze neu mit schwarzen Vinylüberzügen
Beiträge von Wolfgangh
-
-
Hallo,
ich möchte meine Sitze und Rückbank neu beziehen lassen (die neuen Bezüge habe ich von Optimise Automotive bestellt). Wie läßt sich die Rücksitzlehne ausbauen? Ich dachte sie ist nur mit einem Falz an der Heckablage eingehängt und kann durch Anheben dann entfernt werden. Aber die Lehne läßt sich nicht nach oben schieben - sind da irgendwo versteckte Schrauben innen an der Heckablage die ich nicht finde?
-
Ich hab mir auf meinem Mini Gruppe 2 Verbreiterungen montiert, die noch eine Abschlußlippe für eine Zierleiste / Keder ("trim") haben. Ich möchte eine durchgängige Chrom/Aluleiste wie auf dem Bild installieren. Die mit den Verbreiterungen mitgelieferte Kederleiste ist aus Kunststoff (ABS?) mit Chrombeschichtung, läßt sich aber im Übergang von den Radläufen zum Schweller, dort wo der enge Radius besteht, nicht in Form bringen ohne zu brechen oder starke Falten zu machen. Ich denke da wäre ein polierter Alukeder besser anzupassen. Wo gibts sowas? Ich benötige den Keder in einer Breite von 10-15mm und einer Öffnung für 3-5mm Blech.
-
Ist deine Garage gut belüftet oder eher luftdicht?
Die ist ziemlich luftdicht. Der Geruch fällt mir auch immer nur für wenige Sekunden nach dem Öffnen des Tores auf (relativ intensiv) dann ist er weg - entweder weil sich der Geruchssinn kalibriert oder der Geruch sich so schnell verflüchtigt. Andererseits hab ich neben der Garage in einer Halle über 20 Motorräder stehen, alle mit teilweise gefüllten Tanks, und da stinkt nichts. Allerdings ist natürlich das Raumvolumen dieser Halle wesentlich größer (60 m2 mit 5m Höhe).
Wie testet man das Tankentlüftungsventil am Mini am einfachsten?
-
Ich hab das umgekehrte Problem - bei mir stinkt es jeweils in der Garage nach Benzin wenn ich nach einigen Tagen öffne, aber im Auto stinkt nix. Es sind keine Benzinlacken zu sehen, der Kofferraum ist absolut trocken, ich werde demnächst die Fehlersuche beginnen. Einige hilfreiche Tipps von Euch?
-
Das da für,s Armaturenbrett nicht vergessen....
ja, der km-Merker ist definitiv auf der Liste, bisher habe ich allerdings nur welche um EUR 49.-/Stk gefunden, das ist mir doch etwas zu teuer da ich 2 Stk brauche (letzte Tankfüllung, Ölwechsel). Die Krönung wäre noch CB Funk.
-
Och nö!!! Wackeldackel!
Fehlt nur noch die gehäkelte Klopapier Rolle!!!
Meine Kindheit holt mich ein! Gab es in den 70igern!

nein, die Klopapierrolle ist mir dann doch zu heftig. Aber prinzipiell möchte ich meine Sylvia (so heißt der Mini) schon epochegerecht ausstatten. Wahrscheinlich werd ich mir sogar ein Cassetten-Radio einbauen um die Fahrten authentisch zu geniessen
-
-
Ich habe das damit gemacht. Ohne Bohren oder 3D Druck. Über Funk!
ehrlich gesagt, ich hätte so meine Bedenken bez. der Zuverlässigkeit dieser China-Elektronik, speziell der Funkfernbedienung. Gibts da nicht ab und zu ungewollte Aktivierung durch Störsignale? Ich bleib lieber bei meiner Old School Lösung (obwohl oder weil ich gelernter Elektroniker bin)
-
-
auf die Gefahr hin daß das schon etliche andere unter Euch auch so ähnlich gelöst haben, hier mein Masse-Unterbrecher. Da ich dzt. ziemlich oft an der Elektrik arbeite um alle möglichen Wackelkontakte und fehlenden Kontakte zu beseitigen, erspare ich mir damit das dauernde Abklemmen des Massekabels. Ich greife einfach in den Kofferraum, löse die Schraube etwas, und schon ist die Masse unterbrochen und ich kann gefahrlos arbeiten. Die Blende für den runden Ausschnitt im Holzboden der Kofferraumabdeckung habe ich 3D gedruckt.
-
Jö, ein Adventkranz!
-
-
-
Also nach unten würde ich Schrankrückwände zuschneiden, das hält dann auch. Die Pappen werden immer irgendwann mal weich.
Du meinst damit die horizontale Ablagefläche? Ja, dafür verwende ich keine Pappe aus eben diesem Grund
-
Ich habe im Zuge des Umbaues meines Mitteltachos meine Armaturenbrettverkleidung entfernt. Sie bestand aus einem horizontalen "Brett" mit Kartonversteifungen an der Unterseite, Oberseite mit Vinyl bespannt das hinten großzügig geschnitten war sodaß es auch die Schläuche zu den Scheibenlüftungsdüsen etc teilweise verdeckt hat. Die horizontale (Rückseite) des Armaturenbretts bestand aus einem dünnen Plastikteil, oben mit einer rechtwinkelig abgebogenen Leiste die hinter den Rand der oberen Armaturenbrettleiste geklemmt war. Diese Plastik erkleidung war allerdings VIEL breiter als die Höhe des Armaturenbrettes, sodaß es nur völlig gebogen und verspannt montiert war. Es hatte schon einige Knicke und Risse von dieser Einbauposition. Leider hab ich keine detaillierteren Fotos vom Urzustand vor dem Zerlegen gemacht, es war allerdings gar nicht nach meinem Geschmack.
Ich habe jetzt diese sog. "Dash Binnacle Liners" neu gekauft, sie bestehen aus einem Spezialkarton mit schöner Vinylbespannung , sind genauso groß wie meine alten Weichplastikverkleidungen aber ziemlich steif. Um die Einbaulage zu prüfen, habe ich davon eine Kartonschablone (hier im Bild) gemacht.
Diese Verkleidung ist aber wie bei meinem ursprünglichen Originalteil so groß (in der Höhe), daß es wieder nur mit brachialer Gewalt zu montieren geht und unter immenser Spannung durchgebogen sitzt, sodaß von der horizontalen Ablagefläche fast nichts frei
Wbleibt.
Wie ist das gedacht? Hinter die horizontale Ablage passt es nicht, und wenn man es in den Bildern durchwölbt und auf der Ablage ruhen läßt, get es bis vor hinter den unteren Armaturenträger. Wie habt ihr das gelöst? Notfalls konstruiere ich mir mit Kartonschablonen meine eigenen Dash Liner die schön senkrecht auf der Ablage sitzen - habt hier vielleicht zufällig wer passende Schablonen dafür?
-
Ein richtig gutes Radio eingebaut.
Warum leuchten bei Dir alle Kontrolllampen der Schalter, obwohl diese anscheinend ausgeschaltet sind?
-
vielen Dank, damit ist die Funktion jetzt schlüssig erklärt. Ich habe dann wohl einen Wackelkontakt in einem der beiden schwarz/weißen Kabel oder im Stecker/Steckkontakt am Ausfallwarnschalter.
-
Ja, der Zweck ist mir klar.
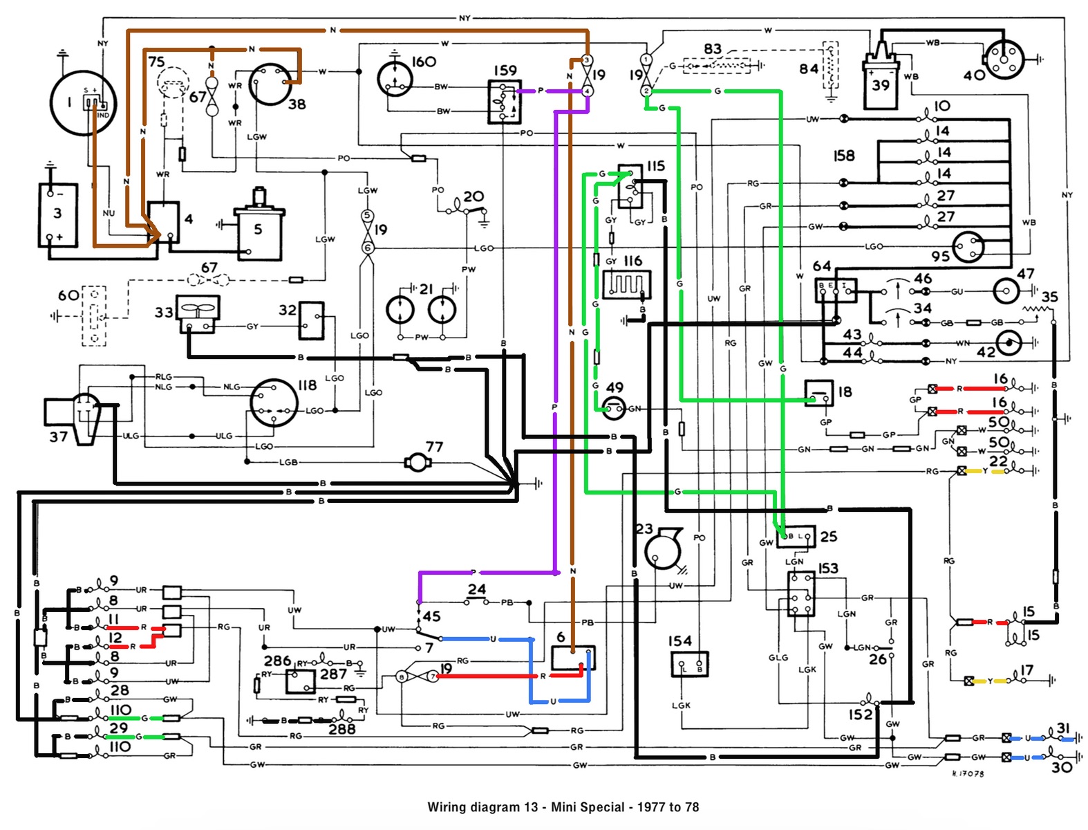
Meine Beschaltung stimmt zumindest mit dem Schaltplan überein. Die Taste funktioniert, die Lampe funktioniert - jeweils für sich extern getestet. +12V und Masse liegen an wie es sein soll. Bleibt eigentlich nur der Geber. Was genau schaltet er wenn der Bremsdruck in einem Kreis ausfällt? jeweils einen der beiden schwarz/weißen Kabel gegen Masse, oder verbinder er die beiden dann? Wozu dann das Massesymbol im Schaltplan?

-
Hallo, ja ich habe die Suchfunktion benutzt aber nicht die gesuchte Info gefunden. Ich weiß wozu der Bremskontrollschalter und seine Leuchte da sind. Nur funktioniert bei meinem 1977er 1100 Special diese Taste manchmal und dann wieder nicht. Ich habe die Taste ausgebaut: die Lampe leuchtet wenn ich externe 12V anlege, also Lampe OK. Mit dem Ohmmeter den Schalter getestet -> wenn gedrückt 0 Ohm. Am violetten vom Sicherungskasten kommenden Kabel liegen 12V an. Das schwarze Kabel hat Massepotential. Stimmen die Anschlüsse so? Violett und 1 schwarz/weißes Kabel vom Geber zu den Lampenanschlüssen, das andere schwarz/weiße und die schwarze Masse zum Taster.
Was mißt der Geber eigentlich? Der Bremsdruck kanns ja nicht sein, da müßte der Kontrollkreis ja wissen wann ich das Bremspedal betätige. Ist der Geber im Fehlerfall offen oder geschlossen, schaltet er gegen Masse oder verbindet er die beiden schwarz/weißen Kabel?
Ich hoffe ihr habt eine Idee wo der Fehler liegen könnte, ich weiß daß der Kontrollschalter nicht unbedingt nötig ist ich habs aber gerne wenn alles funktioniert so wie es gedacht ist


