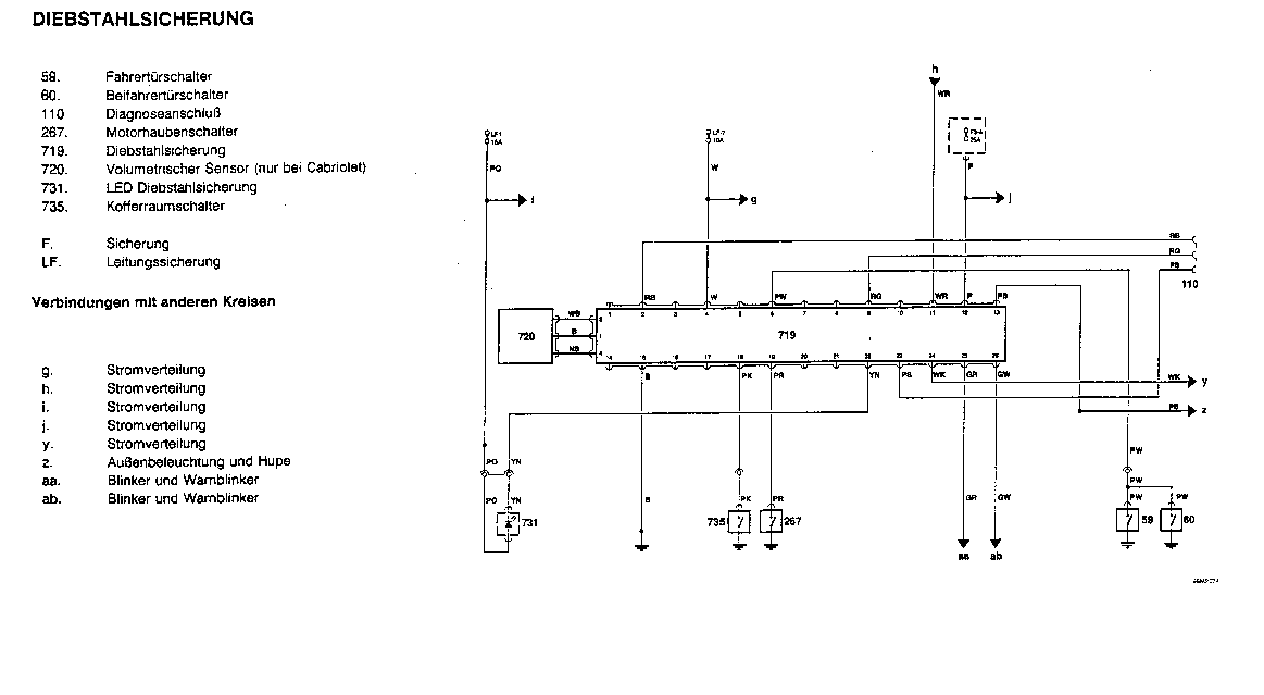
• ...für meinen 96er spi einen schaltplan mit anschluß alarmanlage (pin-belegung des steckers der alarmanlage).
    falls es weiterhilft: zulassung ist 29-04-96, fahrgestellnummer: SAXXNNAYNBD124094;

    mfg

    Mark Oliver:scream:

    minis macht man(n) heißer, indem man sie 10 cm abschneidet !

  • das ist ja vom feinsten.
    mail mal die anderen pläne rüber!!:)

    mfg

    Mark Oliver

    minis macht man(n) heißer, indem man sie 10 cm abschneidet !

  • ähmmm,muß da etwas berichtigen, darkdog! dein gemailter anschlußplan stimmt nicht mit der belegung von meinem stecker überein. :eek: wäre ja auch zu einfach gewesen (als ob die engländer nichts besseres zu tun haben, als ständig die anschlüsse der elektrik umzuändern:mad: )
    trotzdem besten dank für deine bemühungen.

    verzweifelt:confused:

    Mark Oliver

    p.s.: kann denn sonst noch jemand weiterhelfen?

    minis macht man(n) heißer, indem man sie 10 cm abschneidet !

Jetzt mitmachen!

Du hast noch kein Benutzerkonto auf unserer Seite? Registriere dich kostenlos und nimm an unserer Community teil!