Hallo liebe Elektroenthusiasten. Ich bin gerade dabei einen DcDc-Wandler zu basteln und ich möchte einen Abwärtswandler fertigen (also Buck-converter),
Er soll Diagnosefähig sein und eine "Hotelbatterie" soll nicht verbaut werden.
Das habe ich in den Griff zu bekommen:
60-70V DC Eingang
12-14V DC Ausgang
Am Ausgang hängen dann ca 200W .
Die Quizfrage. Wie dimensioniere ich nun meine Bauelemente? (Rechnerei)
Und welchen Schaltplan schlagt ihr vor?
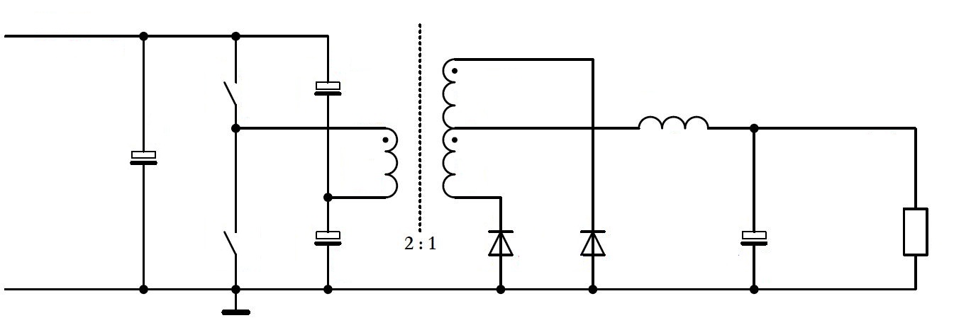
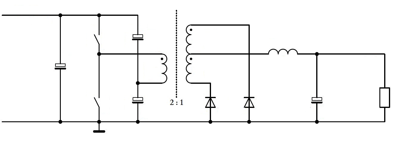
Meiner schaut so aus: