Auch bei meinem SPI ist Lambda immer etwas zu hoch (=zu mager), aber der Prüfer hat ja die Möglichkeit, das Toleranzfeld in Grenzen zu verschieben. Manchmal war es auch nur eine undichte Stelle im Abgasstrang.
Betr. leerer Kat: Brauchst Du einen guten Anwalt??? Das ist doch glatter Betrug!
Allzeit Gute Fahrt!!!
Beiträge von BritishOpen92
-
-
ich habe mal festgestellt, daß eine lose Klammer am Luftfilter bei bestimmten Drehzahlen, besonders beim Beschleunigen, zu ganz schön lautem Ansauggeräusch führt. Ich fand es eher "kernig", aber da ich eher auf leise Autos stehe, habe ich die Klammer wieder zugemacht.
-
Ich persönlich würde von Schleifleinen und ähnlichen Dorfschmied-Technologien abraten. Damit sich in dem Schmierspalt zwischen KW und Lagerschale ein sicherer Olfilm aufbauen kann, müssen an Formgenauigkeit und Oberfläche sehr hohe Anforderungen gestellt werden. Der Spalt ist schließlich nur wenige µm, und sobald er zu groß wird, ist der Öldruck lokal weg, und dann ist der nächste Schaden vorprogrammiert. Bei gelaufenen Wellen ist meist mit unrunden Zapfen zu rechnen, aber (und das ist richtig!) das kann mit einer Meßschraube gemessen werden. Die Erfahrungen und das Equipment, um evtl. verbogene Wellen zu messen und ggf. zu richten, hat nur ein Fachmann...
-
Meine Erfahrung ist, daß die VA-Konstruktion auf geringste Unwuchten sehr empfindlich reagiert. Dazu gehört auch, daß die Felgen nur durch die Radmuttern zentriert werden. Ich habe bei meinem durch Versuche bei höheren Geschwindigkeiten die günstigste Stellung der Felgen zum Mitnehmer gefunden (also auf der Autobahn - auch wenn es weh tut - mal Vollgas gegeben, und wenn es zu sehr rüttelte, auf dem nächsten Parkplatz gefahren und jeweils ein Rad abgebaut und um 90° gedreht, bis der Kleine ruhig lief) und die Stellung des Ventils dann auf dem Mitnehmer markiert. Bei jeder Radmontage dann erst eine Radmutter ganz leicht, dann die gegenüber liegende ebenso, dann die beiden anderen und schließlich alle fest angezogen.
Es gibt übrigens auch sog. Finishbalancer, wo Rad und Bremsscheiben im Anbai gewuchtet werden. -
am besten mit einem temperaturgeregelten Lötkolben (50W) und dann knapp 300°C und eutektisches Lot (LSn 63 oder LSN60), dann kann nichts passieren.
-
Hallo, ich weiß es nicht genau, habe aber zufällig 2 Muttern hier liegen und habe folgendes vermessen:
SW 34mm
Durchmesser innen: 20,35 mm (0,8")
Steigung ca. 1,8 mm, also 14 Gänge pro Zoll
es müßte folglich ein 7/8" - 14 UNF sein. Außendurchmesser müßte also 7/8" oder 22,225mm sein (konnte ich aber nicht messen).
Möchte noch ergänzen, daß geschnittene Gewinde nicht die gleiche Festigkeit haben wie gewalzte, und diese Muttern muß man sehr fest anziehen! Denkt auch an das Splintloch.
Ich fürchte, daß so ein Schneideisen nicht so einfach beschaffbar ist, aber ein guter Dreher müßte das machen können. G 7/8"-Schneideisen beim Klempner gehen nicht, da die einen anderen Flankenwinkel haben...
Frohes Schaffen und allzeit gute Fahrt! -
http://www.ebay.de/itm/Dachhimmel…=item416e3514c7
Zumindest nach den Fotos der richtige (mit einer Schleife hinten), zur Paßform kann ich aber nichts sagen...
Auch kommt bei den Fotos nicht klar raus, ob es dasselbe Kunstleder ist wie original (also mit so einer Leinen-Struktur). Ich wollte es unbedingt so haben, damit es genau so aussieht wie die Sonnenblenden, und mein Himmel von Newton ist auch fast gleich geworden. -
Den Stecker am Generator nur bei stehendem Motor abziehen bzw dranstecken, sonst kann der Generator kaputt gehen (Lastabwurf - load dump). Stecker irgendwo fixieren. Darauf achten, daß kein Kurzschluß entstehen kann, ein Pin ist ohne Sicherung mit Batterie + verbunden.
-
wenn ich eine falsche Information gegeben habe, aber an meinem SPI ist dort gar kein Relais. Ein einsames gelbes sitzt versteckt hinter dem Scheibenwischermotor, aber dort stimmen die Kabelfarben nicht.
Naja, die Mini-Elektrik ist eben immer wieder für Überraschungen gut...
Wünsche allen Minis für 2013 allzeit gute Fahrt! -
in den Luftfilter kann 2 Ursachen haben, meist ist es extrem abgemagertes Gemisch. Das brennt nur sehr langsam durch, so daß im Zylinder noch eine Flamme ist, wenn Einlaß öffnet. Typisch für Lastwechsel, macht meiner (SPI) auch ganz gern mal. Oder Zündfunken zum falschen Zeitpunkt, halte ich aber für wenig wahrscheinlich.
Hat evtl. der Stecker an Deiner Elektronik (Eingang Lambda-Sonde) eine Dusche bekommen? Da diese Spannung ja ziemlich hochohmig ist, könnte jeder Kriechstrom sie beeinflussen, z.B. von einem spannungsführenden Pin, die Elektronik "denkt" natürlich - zu fett und magert ab - Bums!
Bei stehendem Motor wird es dann dort warm und trocken (oder der störende Pin führt jetzt keine Spannung mehr - wer weiß?) und schon geht es wieder.
Der Crash-Schalter ist bei mir auch schon mal gekommen, allerdings an einem ordentlichen Schlagloch. Bist Du beim Einparken evtl. zu hart an Deinen Hintermann gestoßen?
Spaß beiseite - beim Einschalten der Zündung (vor dem Anlassen) läuft die Benzinpumpe ein paar Sekunden, aber nur bei geschlossenem Crash-Schalter. Mal vor dem Anlassen Radio aus und auf das Gerausch achten... -
Im Allgemeinen quietscht der Keilriemen (wenn es der ist, denn nach 3tkm (sofern es ein neuer war, denn Gummi altert) und richtig gespannt wäre das unwahrscheinlich) nach dem Anlassen am ehesten und lautesten. Der Anlaßvorgang bedeutet für die Batterie eine hohe Belastung, und unmittelbar danach nimmt sie aus dem Generator einen Ladestrom auf, der Licht und Bremslicht normalerweise weit übersteigt. Quietscht es denn dann?
Könnte aber auch eine undichte Stelle im Ansaugbereich/-flansch sein (hatte ich mal an einem UAS, bin bald wahnsinnig geworden, jedesmal, wenn ich vom Gas ging, ganz kurz). Könnte mit dem Bremsen zusammenpassen (Bremskraftverstärker). Und das mit Licht und Kupplung könnte sich daraus erklären, daß der Stepper die Drehzahländerung durch den höher belasteten Generator bzw. das jetzt nicht mehr mitlaufende Getriebe (Panschverluste) ausgleicht. Bei Undicht-Quietschen quietscht es nur bei einem ganz engen Druck- (bzw. Drehzahl-) Bereich. Undichte Stellen findet man am schnellsten durch Einsprühen mit Bremsenreiniger (ist ziemlich reines Benzin) oder WD40, nacheinander alle Verdacht-Stellen einsprühen, wenn sich der Motorlauf ändert, ist man nahe dran. Vorsicht! Brandgefahr! Ein Funken kann genügen! Feuerlöscher bereit halten!
Zur näheren Lokalisierung würde ich ganz einfach erstmal den Stecker am Generator abziehen, da geht nichts kaputt (man kann selbst mit Licht -zig km auf Batterie fahren, wenn die i.O. ist), und ein leer mitlaufender Generator (sofern er i.O. ist) läßt garantiert keinen Keilriemen quietschen. Gibt höchstens einen Eintrag in den Fehlerspeicher... -
Noch eine Idee zur Spannung an der Lambda-Sonde mißt, aber leider kann ich Dir da keine exakten Normwerte nennen, und meiner ist z.Zt. im Winterschlaf. Aber evtl. weiß das jemand hier im Forum? Die hat 4 Anschlüsse, die beiden weißen müßten die Heizung sein (dort müßte man nach dem Start 12 .. 14V messen), schwarz- Lambdawert (sollte bei Lamda=1 um die 1V sein) und grau - Masse. Sind allerdings Infos aus dem Netz, wie gesagt, an meinen komme ich momentan nicht ran...
Das Relais für die Heizung ist übrigens in dem schwarzen Kasten hinter dem Bremskraftverstärker.
Drücke Dir die Daumen! -
aber aus der Ferne kann man wirklich nur mit guten Ratschlägen versuchen zu helfen.
Ölverbrauch: Wenn so viel Öl durchkommt, daß es das Abgas derart versaut, müßte man es an den Kerzen sehen, zumindest eine ist da glänzend schwarz (und funkt bald nicht mehr, da die Ölkohle leitfähig ist). Aber dann müßten es m.E. schon an die 1l/100 km sein, selbst VW gibt (glaube ich) 0,3l/100km als noch normal an. Also fahr mal 100km, und über prüfe den Ölverbrauch. By the way, Ölfresser haben auch einen verölten Auspuff. Hinweis: Sollte es an den Ventildichtungen liegen, sieht man es an einer blauen Wolke im Rückspiegel, wenn man nach längerem Schub (Bergabfahrt) wieder Gas gibt. Bei geschlossener Drosselklappe ist im Ansaug fast Vakuum, und da wird an verschlissenen Einlaßventilen ordentlich was durchgesaugt, wenn die Dichtung dort eben nicht mehr ihrer Aufgabe nachkommt. Komm aber nicht auf die Idee, dem Motor mal ohne Öl zu betreiben...
Laufen denn eigentlich alle Zylinder? Würde mit Ölverbrauch und verölter Kerze zusammen passen.
SPI hat übrigens original keine konventionelle "Unterdruckverstellung". Im Steuergerät ist ein elektronischer Drucksensor, daher geht auch ein Schlauch vom Ansaugrohr dorthin. Den Rest macht die Elektronik (zumindest manchmal).
Benzindruckregler: Der hat wirklich einigen Einfluß, benutze mal die Suchfunktion, allerdings dürfte dann der Lambda-Wert nicht stimmen. Bei meinem ist Lambda übrigens immer ein wenig zu mager gewesen, da ist meist das Flexrohr undicht, was aber nie und nimmer zu solchen Abgaswerten führen kann.
Wie sind denn die CO-Werte jetzt bei kaltem und warmen Kat? Ändert sich was, wenn man bewußt eine Störung aufschaltet (also z.B. den Unterdruckschlauch am Bremskraftverstärker abzieht = viel Nebenluft und dann zuhält = keine Nebenluft)? Je mehr Du postest, umso eher wird evtl. jemand den Fehler finden...
Noch eine Idee, vielleicht kommt das Lambda-Signal bei der Elektronik falsch an? Man könnte das herausfinden, wenn man die Spannung mit einem Adapter direkt am Stecker der Lambda-Sonde mißt, aber leider kann ich Dir da keine Normwerte nennen, und meiner ist z.Zt. im Winterschlaf. Aber evtl. weiß das jemand hier im Forum?
Was fällt mir noch ein? Wassertemperatur und Wassertemperatursensor. Wenn der Motor kalt ist und/oder der Sensor der Elektronik einen kalten Motor vorspiegelt, wird natürlich mehr Benzin dosiert, was logischerweise HC und CO in die Höhe treibt. Ebenso könnte ich mir denken, daß die Ansaugvorwärmung (da ist von unten im Ansaugrohr eine elektrische Vorwärmung) nicht funktioniert, so daß zu viel große Benzintröpfchen in den Zylinder kommen und dort nicht verbrennen. An das Ding kommt aber nur ganz besch.. ran.
Drücke Dir die Daumen! -
Ja, das Mini-Fahren im Winter fehlt mir sehr! Durch die kompakte Bauart neigt er weit weniger zum Schleudern als alle anderen Autos, und durch die hohe Belastung auf der Antriebsachse hat er eine Super-Traktion! Habe schon so manchen anderen geschleppt...
Leider trübt die geringe Bodenfreiheit und (wie schon geschrieben) das fehlende ABS etwas den Spaß, hier im Gebirge sind die Straßen oft zugeweht, und da bleiben selbst hochbeinige Autos manchmal stecken.
Wenn er doch ein bißchen bessere Rostvorsorge hätte!
Aber egal, ich habe noch eine MZ, da muß die eben ran. Leider gibt es auch für die Grenzen, hier mußte sogar der Schneepflug kapitulieren...
Frohes Fest Euch allen! -
Ja, mein braver 39 kW-Motor mußte bisher nur einmal aufgemacht werden, und zwar bei ca. 130 Tkm - Zwischenrad. Habe dabei gleich die Kupplung und die Ölpumpe mit gewechselt.
Vorher waren nur mal die Dichtkappen an den Ventilen fällig, und das ging ohne "Aufmachen"... -
So schön es aussieht, aber so etwas gehört bei mir nun der Vergangenheit an!
-
ist bei mir jetzt knapp 200.000, nach 20 Jahren und 18 Wintern. Seit 2010 habe ich jetzt ein Saisonkennzeichen, weil ich es satt hatte, jedes Frühjahr wieder irgendwo zu schweißen.
Und das mit den 80.000 km (oder so), kann das evtl. davon kommen, daß da meist die Tachowelle versagt und der Wechsel so besch... geht, daß da eben die Tachos stehen bleiben??? -
hat ein zu mageres Gemisch zur Folge, was HC und CO eher absenkt, aber NOx fördert. Auch wäre dann der Lambawert nicht so gut. Gerade Lambda weist doch darauf hin, daß Benzin und Luft im richtigen Verhältnis sind und das Steuergerät richtig auf die Lamdasonde reagiert. Und die CO-Werte sind für das Rohgas (nicht konvertiert) ganz normal. Trotzdem kann es nicht schaden, nach den Leitungen zu schauen. Wenn es dort undicht wird, merkt man das am ehesten daran, daß er sich beim Gasgeben verschluckt (noch mehr, als der SPI es ohnehin tut). Und was heißt "Abgastrübung"? Hast Du einen Diesel-Mini???
Noch einmal die Frage: Verändern sich (sinken) die Werte bei der AU, nachdem der Motor ein wenig im erhöhten Leerlauf gelaufen ist? Dabei erwärmt sich nämlich der Kat, der zuvor meist ausgekühlt ist. Durch das Geruckel vom Scheinwerfer- zum Bremsen- und dann zum AU-Prüfstand wird kein Kat so warm, daß die Anspringtemperatur erreicht wird...
Und wenn der Kat schon über 10 Jahre alt ist, kann es durchaus sein, daß er seinen Geist aufgegeben hat. Auf jeden Fall ist ein neuer besser als ein alter... -
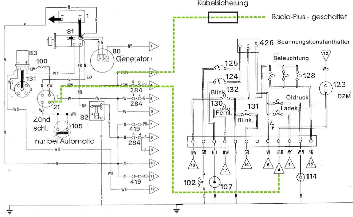
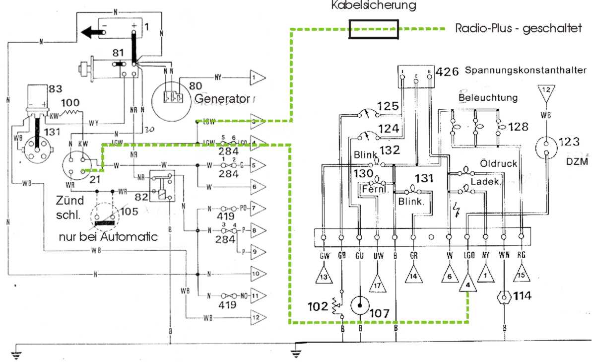
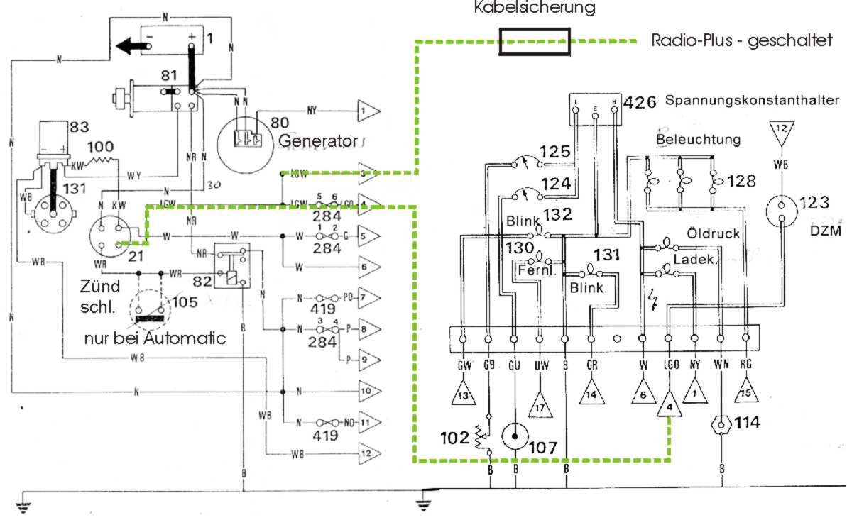
Nach meinem Schaltplan geht das grün-weiße Kabel (LGW) an den Sicherungskasten (284), dort verzweigt sich der Pfad. Einer geht über die dritte Sicherung dort an Plus für den Drehzahlmesser (grüne Linie), der andere über eine Leitungssicherung (wo auch immer die versteckt ist) an das geschaltete Plus vom Radio. Das mit dem violetten Kabel könnte stimmen, ist im Schaltplan aber nicht dargestellt.
Bei dem roten Kabel könnte es sich um Plus für das Schiebedach handeln, auch das ist nicht dargestellt, aber bei meinem British Open ist das genau so. Hängt wohl damit zusammen, daß die Schiebedach-Elektrik deutsch ist, und da ist rot fast immer die Farbe für Plus (eigentl. für Dauer-Plus), englisch ist Dauer-Plus meist braun.
Daß es zu diesem Stecker kein Gegenstück gibt, hängt evtl. damit zusammen, daß dieser Mini weder für Radio noch Schiebedach vorgerüstet war. -
Wenn das passiert ist der Fehlerspeicher recht voll und muß erstmal abgearbeitet werden. Abhilfe bringt auslesen und Fehler löschen ,bzw. beheben, mit dem Microcheck, was auch anzuraten wäre...
Danke für den Tip, aber wann immer ich den habe auslesen lassen (dabei haben die Werkstätten so manches graues Haar bekommen), war nichts oder nur Quatsch drin, z.B. Lichtmaschinen-Fehler...