Die Türkontakte sind m. E. nach nicht die Lösung. Die waren vorher nicht verkabelt und sind jetzt immer noch nicht verkabelt.
Grüße
Michael
Die Türkontakte sind m. E. nach nicht die Lösung. Die waren vorher nicht verkabelt und sind jetzt immer noch nicht verkabelt.
Grüße
Michael
Da das durch den/die Vorbesitzer gemacht wurde kann ich ds nicht sagen. Da die WFS aber "normal" verbaut und verkabelt ist, gehe ich davon aus, dass die ECU entsprechend "auscodiert" wurde.
Ja, die WFS ist wohl ein immer wieder aktuelles Thema. Habe die letzten 1,5 Tage mit einem Startproblem gekämpft.
(siehe https://www.mini-forum.de/showthread.php…nker-auch-nicht).
Lösung meiner Probleme: Die eigentlich wohl schon vor langer Zeit deaktiverte WFS hat sich von selbst reaktivert. Hat das von Euch schonmal jemand erlebt?
Grüße
Michael
Heureka!!!! (würde der alte Grieche sagen)
Er läuft wieder und blinken tut er auch wieder!
Lösung des Problems:
Da ich nicht so recht glauben wollte, dass jetzt die ECU kaputt ist, habe ich en Tag mit Recherchen hier im Forum verbracht und bin dabei irgendwann auf das Thema "Wegfahrsperre" gestoßen. Die war bei meinem Mini schon von dem/den Vorbesitzer(n) komplett deaktivert worden, weshalb ich in den letzten 1,5 Jahren auch noch nie auf den Handsender gedrückt hatte.
Aber wie sagt man so schön - "Ich hab schon Pferde kotzen sehen..." - also dachte ich mir, geh ma in die Garage und Versuch Dein Glück mit dem Handsender.
Und siehe da: ein ganz leises Klicken war zu hören und er sprang sofort an (Nach 1km Fahrt ging er dann zwar mitten auf der Straße aus und sprang erst nach ca. 15 minuten wieder an, aber egal!!!
) .
Im Klartxt: Die deaktivierte WFS muss sich bei meinen Basteleien wieder reaktiviert haben!?!?!?! wie geht denn das??? Hat das einer von Euch schonmal erlebt?
Grüße
Michael
Hi,
danke für Deine Antwort.
Habe das aber eigentlich alles schon geprüft. Batterie i.O., Zündschloss i.O., Verkabelung zur Relaisbox i.O., Kontakte der Relaisbox i.O., Spritpumpe arbeitet hörbar. Wenn ich das Starterrelais in der Box manuell per Schraubendreher bediene dreht der Anlasser den Motor durch (das deutet ja auch darauf hin das Batterie und Anlasser selbst i.O. sind).
Inzwischen vermute ich dann doch die ECU als Ursache, sofern die die Masse für das Starter-Relasi schaltet, ist das plausibel?
Grüße
Michael
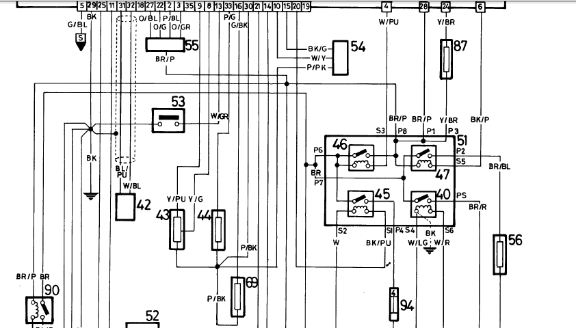
eine ergänzende Frage noch, da der Schallplan, den ich habe hier nicht ganz eindeutig ist (aus meiner Sicht):
wie kriegt die Spule des Starterrelais Masse (Nr. 40 in der angehängten Grafik)? macht das die ECU? oder liegt die immer auf Masse (das ist zumindest gestrichelt angedeutet, was ich per Messung im Auto aber nicht nachweien konnte)?
Guten Morgen zusammen,
das Ganze hat mir die Nacht keine Ruhe gelassen hat, weshalb ich die verdächtigte Relaisbox in der Nacht noch geöffnet habe, wobei ich allerdings rein gar nichts verdächtiges entdecken konnte. Also habe ich eben folgendes versucht:
Hab die offene Box angeschlossen (natürlich mit isolierender Unterlage
) und die Zündung eingeschaltet. Dann habe ich den Starter-Relais-Kontakt mit einem Schraubendreher zugedrückt. Und siehe da er orgelte, aber startete nicht! Beim zweiten Versuch fiel mir dann auf, dass das Sprit-Pumpen-Relais während des Startvorgangs öffnet!
Das passiert doch eigentlich nur, wenn die ECU kein Drehzahlsignal bekommt, oder liege ich da falsch? Wäre der Kurbelwellensensor i.O. hätte doch bei meinem Versuch eigentlich der Motor laufen müssen oder?
Deshalb habe ich nochmal in den Schlatplan geschaut: KW-Sensor und Starterrelais-Magnetspule haben anscheinend denselben Massepunkt. ist das richtig? Den habe ich jetzt im Verdacht... oder habt ihr einen anderen Hinweis für mich?
Kann mir einer sagen wo in meinem Mini ich diesen Massepunkt finde?
Danke für Eure Antworten!
Grüße
Michael
Hallo zusammen,
nachdem ich heute ein wenig der vom Vorbesitzer verbastelten Elektrik aufgeräumt habe und zunächst am Mittag noch alles funktioniert hatte, habe ich nun seit dem Nachmittag nach dem Einbau des Armaturenbretts zwei neue Probleme
:
1) Der Starter dreht nicht:
Bei Zündung ein läuft die Benzinpumpe für ein paar Sekunden, beim Startversuch passiert aber nichts weiter. Bei Zündung aus ist ein Rattern (vom Schrittmotor ?) zu hören.
Das Zündschloss habe ich überprüft, genauso die Leitung vom Schloss zur schwarzen Relaisbox => beides i.O.
Deshalb habe ich jetzt das Starterrelais in der schwarzen Relaisbox im Verdacht, da aus ihr auch kein Kicken zu hören ist beim Startversuch.
Liege ich mit meinem Verdacht möglicherweise richtig?
Kann man die Box öffnen und ggf. reparieren? hat einer von Euch so was schon mal gemacht?
Ich wohne in 70839 Gerlingen, deshalb meine Frage/Bitte: Hat einer von Euch aus dem Raum Stuttgart/Ludwigsburg eine Relaisbox für SPI "auf Lager" liegen, mit der ich das mal quertesten könnte?
2) Der Richtungsblinker geht auf einmal nicht mehr:
Bisher hat er immer funktioniert. Jetzt funktioniert nur noch der Warnblinker. Möchte ich rechts oder links blinken, tackert das Blink-Relais sehr schnell, aber nix blinkt!?! Die Tipps zum Thema Warnblinkschalter hatte ich bereits versucht (Überbrücken des WB-Schalters), hilft aber nichts. Dabeis ist mir aber aufgefallen, dass von den 6 Pins des Steckers nur vier vom Kabelbaum gnutzt werden. An einem alten Kabelbaum, der bei mir rumliegt sind alles 6 Pins belegt. In der Vergangenheit hat das meinen Mini aber auch aber auch nicht gestört. Ein anderer Lenkstockschalter brachte auch keine Abhilfe..
Im Schaltplan sind zwei Relais dargestellt, der "Blinkgeber" und ein Relais, das im Motorraum sitzen müsste. Aber welches der Relasi ist es genau? bei mir ind 3 Stück neben dem Wischermotor?
Habt Ihr snst noch einen Tipp für mich?
Danke Euch!
Grüße
Michael
Hallo Christian,
schau Dir hier:
http://www.mini-wiki.de/wiki/ELEKTRIK
mal die Schaltpläne an.
Gruß
Michael
Hallo,
der Stecker soll am Kabelbaum montiert werden und dann in den Instrumenten-Träger ingesteckt werden.
Gruß
Michael
Hallo zusammen,
habe einen SPI erstanden, der sich leider doch als elektrisch etwas "verbastelt" darstellt. U.a. ist das Armaturenbrett nicht mehr original. Deshalb möchte ich ein originales (habe ich schon) wieder einbauen. Leider fehlt aber am Kabelbaum der passende Stecker.
Kann mir einer von Euch sgaen ob/wo ich den als Ersatzteil herbekommen kann? Oder hat jemand von Euch zufällig einen von einem Umbau rumliegen?
Danke für Eure Unterstüzung.
Grüße
Michael
Hallo zusammen,
habe einen SPI erstanden, der sich leider doch als elektrisch etwas "verbastelt" darstellt. U.a. ist das Armaturenbrett nicht mehr original. Deshalb möchte ich ein originales (habe ich schon) wieder einbauen. Leider fehlt aber am Kabelbaum der passende Stecker. ![]()
Kann mir einer von Euch sgaen ob/wo ich den als Ersatzteil herbekommen kann? Oder hat jemand von Euch zufällig einen von einem Umbau rumliegen?
Danke für Eure Unterstüzung.
Grüße
Michael