Tipps FÜr Schaltblitz Und Zusatzinstrumente Und Mehr

  • hab dir grad ne mail gesendet ohne vorher fertigzulesen , sorry


    hab ja jetzt den schaltblitz gefunden, wär aber toll wenn mir noch die lambda anzeige senden könntest

  • @ Danny:

    Genau das ist die Lambda-Anzeige. Die beste ist aber die mit den 20 Leuchtdioden - also die, die wir auch verwenden.
    Die mit der Digitalanzeige kannste vergessen, da springen die Werte so schnell hin und her, dass Du gar keine Ziffern drauf ablesen kannst. Ausserdem müsste das Display beleuchtet sein, etc. - Also für Dauerbetrieb im Auto nutzlos. Die mit den 10 LEDs ist halt nicht so sehr präzise wie das mit den 20 LEDs.
    Grüsse Sascha

    LIFE IS SHORT - LIVE FAST!

  • Das das die gleiche ist hab ich gesehen. Die programmierbare mit Controller hat zwar nur 10 LED's, aber wenn Du alles mal genau liest siehst Du dass es zwei Modi gibt und die Anzeige genauer ist, da die LM-Chips linear anzeigen und die Spannungskurve des Lambdasensors eben nicht linear ist.

    Gruß Dennis

  • Mich würde das Platinenlayout vom Schaltblitz interessieren!!

    Obwohl die Erde grösser ist, ist der Mond weiter entfernt.

  • ... das Platinenlayout vom Schaltblitz kommt auch noch - versprochen!
    Nur lasst mir etwas Zeit, evtl. schaffe ich das nach dem Wochenende. Ich bin gestern mal wieder bis 23Uhr am Schrauben gewesen, mein Mini muss endlich wieder fertig werden, Motorradfahren macht grad nicht mehr wirklich Spass!

    Grüsse Sascha

    LIFE IS SHORT - LIVE FAST!

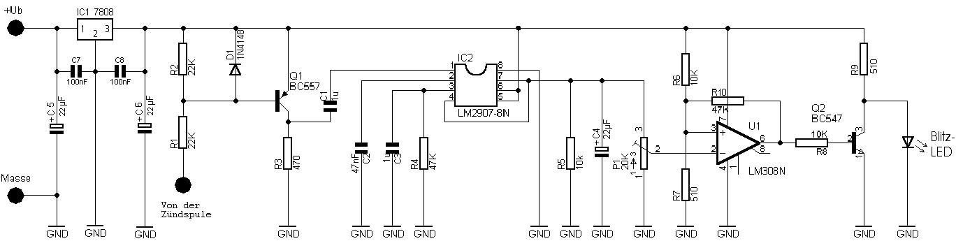
  • ACHTUNG !!!

    SCHALTPLAN VERSION 2.0 IST DA !

    Auf diese Version bezieht sich übrigens das schon vorher gepostete Platinenlayout!

    Hier ist die Stückliste:

    R1, R2 2 x 22 kOhm
    R3 1 x 470 Ohm
    R4, R10 2 x 47 kOhm
    R5, R6, R8 3 x 10 kOhm
    R7, R9 2 x 510 Ohm
    P1 1 x 20 kOhm Poti

    C1, C3 2 x 1µF Metallfolie
    C2 1 x 47nF Metallfolie
    C4, C5, C6 3 x 22µF Elko
    C7, C8 2 x 100nF Keramik

    Q1 1 x BC557
    Q2 1 x BC547
    D1 1 x 1N4148
    D2 1 x LED

    IC1 1 x 7808
    IC2 1 x LM308
    IC3 1 x LM2907-8N

    1 x Steckerleiste 3-polig

    Und im Anhang der neue Schaltplan.

    Ich empfehle euch, die LED gegen eine LED-Lampe mit 20000LCD zu ersetzen, diese gibt es bei CONRAD. Diese kostet zwar 4Euro ist ihr Geld aber Wert.

    Grüsse Sascha

Jetzt mitmachen!

Du hast noch kein Benutzerkonto auf unserer Seite? Registriere dich kostenlos und nimm an unserer Community teil!