Scheibenwischer - Verkabelung Kippschalter

  • Hallo zusammen,

    brauche einen tipp, wie ich den Scheibenwischerschalter richtig verkabel....

    Habe umgerüstet auf MK 3 Lenkstockhebel-
    da fehlt ja die Scheibenwischerfunktion.

    Dafür kommen Kippschalter hin.

    Der Rest funktioniert, nur beim Scheibenwischer weiß ich nicht mehr weiter
    Der Kippschalter hat 3 Anschlüsse. Ein-Aus-Ein.

    Also langsame und schnellere Stufe.

    Ein Kabel bleibt da ja übrig. Endabschalter für die Scheibenwischer

    Wohin mit diesem Kabel ?

    Gibt es da vielleicht eine Möglichkeit über Relais ?

    Danke im voraus.....

    Gruß Ralf

  • Das verzwackte ist dieser blöde endabschalter. Der gibt nochmals kurz Saft, damit der Wischer in die Parkposition kommt.

    Kippschalter hat 3 Kontakte. Mitte ist Plus und jeweils daneben die Kabel für Stufe 1 bzw 2. Wenn ich das Kabel für Parkposition zb an Stufe 2 dranhänge, funktioniert das ganze, ..Wischer geht nach abstellen in Endstellung.
    Aber bei Stufe 1 kracht die Sicherung raus.....

    also so wohl nicht realisierbar.....

    Das ganze irgendwie über ein Schließer Relais ?


    Ich hoffe, es kann mir da einer weiterhelfen....

    Gruß Ralle

  • Hallo,

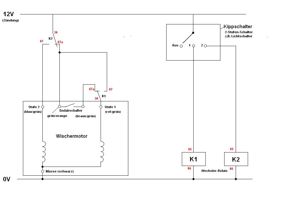
    Ich weiß, das Thema ist nicht mehr aktuell. Da ich aber nun vor dem gleichen Problem stand und auch so meine Probleme hatte rauszubekommen, was da normalerweise wann und wohin geschalten wird, habe ich meine Schaltung mal kurz skiziert.

    Die Schaltung benutzt zwei Relais. Ich weiß, das funktioniert auch mit einem Relais. Da aber ein normaler Lichtschalter zum Einsatz kam und dort bei Schalterstellung 2 beide Kontakte gleichzeitig (normalerweise Standlicht und Ablendlicht) durchgeschalten werden, hab ich zwei Relais verwendet.
    Die Anschlußbezeichnungen der Relais sind gekennzeichnet und für die Anschlüsse am Wischermotor habe ich die bisherigen Kabelfarben dazu geschrieben.
    Somit sollte es auch für ungeübte möglich sein, die Schaltung nachzubauen.
    Die Anschlüsse am Kippschalter muss man sich noch selber ausmessen, hab jetzt nicht mehr im Kopf welche Anschlussbezeichnungen der Lichtschalter hat.
    Die passenden Kfz-Wechsler-Relais gibts für ca.3 Euro beim Händler um die Ecke.


    Eins noch:
    Die Schaltung erhebt keinen Anspruch die beste und einfachste zu sein.
    Sie ist Mittel zum Zweck und funktioniert, auch wenn es ganz sich noch bessere und einfachere gibt.
    Soll nur eine Hilfe für diejenigen sein, die wie ich hier auf die Schnelle keine passende Schaltung finden konnten.

    Mario

Jetzt mitmachen!

Du hast noch kein Benutzerkonto auf unserer Seite? Registriere dich kostenlos und nimm an unserer Community teil!