Schalterbeleuchtung

  • Hi Leute,

    ein bißchen spät, aber...

    Ich habe die Schalterbeleuchtung auch bei mir schon drin und auf meiner Homepage alles ein wenig beschrieben. Zu sehen gibts das hier

    Im Menü unter "Elektrik"

    Die Schaltung ist im Prinzip wir die von Lutz.

    Grüße,
    Michael

  • @ General Lee

    Hallole,

    ich hab mir mal die Schaltung von deiner HP ausgedruckt, aber irgendwie verwirrt mich deine Teileliste. Du hast da 2 Kondensatoren 100 nF drauf, die ich aber auf deinem Schaltplan nicht finde. Ist das ein Versehen oder hast du die auf dem Schaltplan vergessen?

    @all

    Ich würde die Versorgungsspannung vom Zündschloss holen und eine Sicherung dazwischen setzen. Und zwar von Klemme 15. Dann leuchten die Schalter auch ohne das das Standlicht eingeschaltet werden muss.

    Grüßle Mike

      Lieber spät gebremst als zu früh hochgeschaltet.

  • Hallole,

    Zitat

    Du hast da 2 Kondensatoren 100 nF drauf, die ich aber auf deinem Schaltplan nicht finde

    ich habe heute eine eMail vom General bekommen. Diese beiden Kondensatoren werden zum Aufbau der Schaltung nicht benötigt.

    Grüßle Mike

      Lieber spät gebremst als zu früh hochgeschaltet.

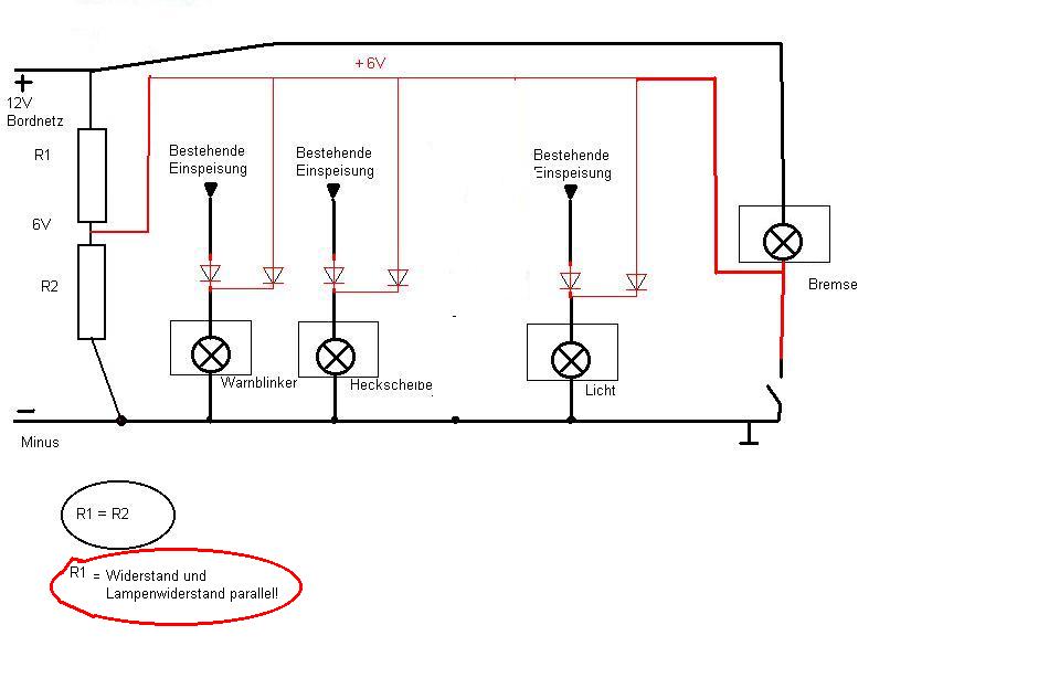
  • Hier noch ein möglicher Bauplan um auch die Bremskontrolle leuchten zu lassen. Ist aber nicht die beste Lösung

    Ps: R1 ist der Gesamtwiderstand der Parallelschaltung der drei Lampeninnenwiderständ und dem Widerstand!

    R2 ist der Gesamtwiderstand der Parallelschaltung von R2 und des Lampewiderstand.

    Beider Gesamtwiderstände müssen gleich groß sein R1=R2

    Heikel heikel, wo ja auch jede Lampe gleich ist......

  • Zitat

    Hier noch ein möglicher Bauplan um auch die Bremskontrolle leuchten zu lassen.

    Hallole,

    die hab ich bei mir rausgeschmissen und den Schalter der Nebelscheinwerfer reingesetzt. Jetzt leuchtet alles. Die Bremskontrolle habe ich ins Tachoei verlegt. Jetzt muss nur noch der Schwimmer im HBZ funktionieren. Da sind wohl die Anschlüsse vergammelt. Hab aber noch einen aus nem Fiesta. Den muss ich nur kürzen.

    Grüßle Mike

      Lieber spät gebremst als zu früh hochgeschaltet.

  • Hallo,

    habe mir bei Ebay diese Schalterbeleuchtung ersteigert.
    Wenn ich sie die nächsten Tage bekommen und eingebaut habe berichte ich wie das teil funktioniert.
    Der Verkäufer hat mir gemailt das er die dinger nach seinem Bauplan herstellen lässt.
    Also mußte er ja noch mehr davon haben.
    Wäre vielleicht für den einen oder anderen von euch ne einfache und billige alternative zum Selbstbau.


    Grüße

    Andi


    http://cgi.ebay.de/ws/eBayISAPI.d…DME:B:EOAB:DE:6

Jetzt mitmachen!

Du hast noch kein Benutzerkonto auf unserer Seite? Registriere dich kostenlos und nimm an unserer Community teil!