Batterieabdeckung

  • Hallo zusammen,

    da ich eine neue Batterie einbauen musste, wollte ich bei der Gelegenheit die Abdeckung und den Spanner in den Originaltzustand bringen.
    Mein Vorgänger hat da wohl viel rumgepfuscht.
    Kann mir vielleicht jemand ein Bild schicken, wie das bei einem Inno B38 75 im Original aussieht und welche Teile ich dafür benötige ?

    Gruß
    Volker

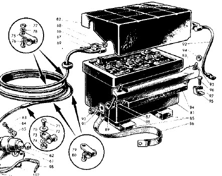
  • Sieht wie folgt aus:

    Im eingebauten Zustand:

    Aus dem Teilekatalog

    Teilenummer Abdeckung AXE63, Teilenummer vom "Gummistraps" AXE50

    Gibt es wohl nur noch gebraucht......

    Gruss Andy
    ------------------------------------------------
    Mini, you only get what you make of it!!!
    ------------------------------------------------
    Erfahrung lässt sich nicht "downloaden"!!!!!!!
    __________________________________________

    "Der Gebildete treibt die Genauigkeit nicht weiter, als es der Natur der Sache entspricht" Aristoteles

Jetzt mitmachen!

Du hast noch kein Benutzerkonto auf unserer Seite? Registriere dich kostenlos und nimm an unserer Community teil!