• Ich denke ich benötigte nun einen Fachmann für die Zündung. Alles neu. Zündspule, ub, Kondensator, Kabel.

    Kein Funke.

    Das Pluskabel für die Zündspule hat 12V sobald es an der ZS steckt sind es 0,5V.

    Egal ob ub offen oder geschlossen...

    Hab keinen Dunst mehr

    Stell ein Bild rein, womöglich hab ich einen ersichtlichen Fehler.

    LG. Roland

  • Hi Roland,

    wenn Du die ZS anschließt (und die Spannung auf 12V auf besagte 0,5V einbricht), gibt es dann einen Funken?

    MfG

    Markus

  • dann sind es keine "echten" 12V, sondern nur im Leerlauf (= ohne Last).

    • Prüfung: die 12V Leitung an einen echten Verbraucher anschließen, z.B. eine Scheinwerferbirne. Wenn die nicht geht, dann suche den Fehler hier in der Stromversorgung.
    • Gegenprobe: eine Plus-Leitung von der Batterie direkt auf die Zündspule legen (erst mal testweise nur "antippen"): wenn alles Andere ok ist, dann sollte die Zündung funktionieren.
  • OK. Das mit dem vorziehen eines Kabels hatte ich schon im Sinn. Hab dann ein + vom sicherungskasten genommen aber da beim anstecken die Fünkchen geflogen sind hab ich den Gedanken gleich wieder verworfen.

    Werd es morgen nochmal probieren.

    Danke für die Tipps :thumbs_up:

    LG. Roland

  • Ein kleiner Funke ist ok., da geht schon einiges an Strom drüber. Übrigens kannst Du dabei gleich direkt vom dicken Kabel der Zündspule (ohne Verteilergedöns) einen FETTEN Funken gegen Masse springen lassen. (Dieser Test klappt übrigens nur wenn der Unterbrecher gerade zu ist.)

    Der Unterbrecher, der das im Fahrbetrieb ein paar tausend mal pro Minute macht, funkt nur deshalb nicht weil er einen dicken Kondensator parallel dazu geschaltet hat.

    Viel Erfolg!

    Markus

  • Hat mir keine Ruhe gelassen und hab nun noch ein Kabel von der Batterie angeschlossen. Siehe da 12V liegen an der ZS an. Allerdings kein Funke. Auch nichts beim öffnen bzw schließen des ub mittels holzspies...

    Denke einerseits an einen kabelbruch des Zündungsplus, andererseits bau ich morgen nochmal den alten Kondensator ein da dieser ein grünes Kabel hatte und ein anderes massekabel.

    LG. Roland

  • Dann schlage ich folgende Reihenfolge vor:

    1. Plus von Batterie an ZS, Minus von Batterie an ZS, dickes Kabel der ZS in die Nähe von Masse: immer wenn Du den Stromkreis unterbrichst (egal ob plus- oder minusseitig), dann funkt es an der unterbrechenden Seite (12V) und MÄCHTIG vom dicken Hochpannungskabel zur Masse. (VORSICHT: auch beim Anfassen des 12V Kabels kannst Du dabei ordentlich einen gewischt bekommen! Nennt sich Selbstinduktion.) Dann ist die ZS schon mal ok.
    2. Wie 1., aber jetzt auf der Minusseite das Testkabel wegmachen und dafür den Unterbrecher einschleifen (erst mal ohne Kondensator, danach mit). Jetzt den Unterbrecher öffnen (sehr richtig, mit einem Hölzchen): da sollte der fette Funken vom dicken Kabel zur Masse fliegen, und am Unterbrecher selbst ein winzigstes Fünkchen (mit Kondensator) bzw. ein gar nicht so kleiner Funken (ohne Kondensator). Somit hättest Du Unterbrecher und Kondensator auch abgehakt. Wenn nicht, dann prüfe unbedingt neben den Komponenten auch die Verkabelung, jeder auch noch so "dumme" Fehler ist möglich.
    3. Wie 2. aber jetzt dicke Hochspannungsleitung an den Verteiler angeschlossen und die 4 Zündkerzen auf Masse ablegen: Wagen anlassen (Helfer), jetzt sollten alle 4 Kerzen nacheinander zünden, wenn nicht, dann schau Dir den Verteiler genauer an und auch die Zündkabel.
    4. Wie 3., aber jetzt das Test-Pluskabel weg und die richtige Stromversorgung anklemmen: Starten (Helfer) sollte jetzt nacheinander alle 4 Kerzen ans Funken bringen. Wenn nicht, dann ist was an der Stromversorgung faul. Auch hier gilt Murphy's Gesetz: jeder, wirklich jeder mögliche Fehler tritt tatsächlich irgendwann auf.

    Die netten Jungs von Wikipedia haben das hier ins Netz gestellt:

    Viel Erfolg morgen!

    Markus

  • Scheint der Wurm drin zu sein. Weder die anfangs verbaute zs zeigt einen Funken noch die neue. Hab verschiedene Hochspannungskabel probiert.

    Bei beiden zs habe ich durchgemessen und zwischen + und - liegen bei beiden 3 ohm :roll-eyes:

    Denke eine neue muss her?

  • Moin.

    Du hängst also an Punkt 1?

    Ist doch gut, defekte ZS gefunden, irgendeine ist ja schnell besorgt und Du kannst dann die Liste abarbeiten.

    (Nur zur Sicherheit: die ZS ist schon an Masse befestigt?)

    Markus

  • Oh mein Gott, er läuft und wie!!! :redface: :redface: :redface:

    Hab die neue Zündspule probiert mit + und - von der Batterie - es kam kein Funke.

    Wollte wieder den alten UB bzw Kondensator einbauen als mir auffiel, dass beim alten UB auf dessen Spange eine kleines Plastikteil befestigt war das am Neuen fehlte.

    So hatte der Kondensator bzw UB ständig Masse. Das Teil darunter geschoben, Startversuch und bei der 3. Umdrehung sprang er an. :biggrin:

    Bissl warmlaufen lassen, abgestellt - ein kurzer Drücker und er ist da. :starry_eyed:

    Eine Frage bleibt noch offen: Ich habe 2 weisse Kabel nahe der Zündspule beide haben 12V mit dem 1. springt er an mit dem 2. nicht. Allerdings leuchtet beim 2. bei Zündung an das rote und das orange Licht, beim 1. nur das Rote. Sollte ich beide anschliessen???

    Nochmal danke für eure Unterstützung!!!

    Lg. Roland

    Einmal editiert, zuletzt von Schafspelz (28. April 2022 um 21:49)

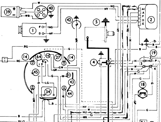
  • Laut Schaltplan geht ein weißes Kabel zur Öldruckwarnleuchte (ist das das orangene Licht?). Das kommt eigentlich nicht von der Zündspule sondern von einer Sicherung (3-4), ist aber der gleiche Strompfad, also letztendlich egal (zumindest solange die Sicherung heile ist).

    Kann also sein dass ich hier den falschen Schaltplan eingefügt habe, oder dass jemand am Kabelbaum herumgedoktert hat, oder dass der Schaltplan nicht stimmt. Alles schon vorgekommen, auch eine beliebige Kombination.

    Wenn das so ist (solltest Du prüfen!), dann wieder an die Zündspule mit anschließen, oder bei der Gelegenheit zurück an die "richtige" Stelle an die Sicherung.

    (Das andere (rote?) Licht ist die Warnleuchte für die Lichtmaschine?)

    Markus

  • Ja genau, die glelbe öldrucklampe leuchtet auf wenn ich das 2. Kabel an die zs (warum auch immer) anschließe. Ich hätte keinen Anschluss für einen öldruckschalter gesehen. Womöglich hatte der Vorgänger eine extra Anzeige eingebaut.

    Danke für die Info!

    Gruß Roland

  • Im Ölfilterkopf wird dieser Schalter zu finden sein, bzw. war er dort einmal.

    Andreas Hohls

    Alle Beiträge verstehen sich als rein sachliche Aussage und tolerieren Meinungen und Vorlieben eines Jeden, auch wenn sie konträr entgegenstünden.

  • Jop. Ist dann im Schaltplan die "42" (oil pressure switch) am anderen Ende der Warnleuchte. Folge dem weiß-braunen Kabel (wenn es noch original ist).

    Markus

Jetzt mitmachen!

Du hast noch kein Benutzerkonto auf unserer Seite? Registriere dich kostenlos und nimm an unserer Community teil!