Hola,tengo en mi spi del 95 una mne101070,he leído aquí en el foro que no lleva inmovilizador,pero yo sí que llevo en mi coche,o eso creo,tengo un lucas 5as detrás del tablero y mando.alguien me puede explicar? O solo es alarma?
Ecu mne101070
-
-
Yes: a 101070 is an ECU without immobilizer
Yes: behind the Radio (if equipped) is the location of the Lucas 5AS immobilizer
If you would like getting rid of the immobilizer (in your case), connect pin 23 of the immobilizer to ground (Pin 2)
I can also convert any MNE101170 to a MNE101070 or a MNE101150 to a MNE101050
PS: english language is preferred!
-
ok, thanks, I have a problem that my spi does not start, I have tried everything and I see that there is no power to the injector, could it be a problem with the ECU? thank you
-
Hi,
can you hear the fuel pump for a few seconds by putting the ignition lock into ON (not starting)?
If not: There is a knob under the bonnet (inertia switch.) Press it. If it's clicking, then it was triggered (e.g. by wind) and you can try to start the engine again. If the fuel pump is still not running, the relaybox is probably not working. Test it.
-
Hello, if all this is verified, the pump primes for about 10 seconds, 12 v reaches the coil but no current reaches the injector and the starter remains activated in the relay package but none else,
-
What color is the immobilizer wire 23?
-
-
ok, so I connect the white/pink to ground and the 5as would be deactivated, right?
-
.... I'm afraid this is going into the wrong direction.
First of all, the Injector is supplied with 12V permanently when ignition is switched on. The ECU triggers the Injector to ground, when signals from crankshaft sensor are received by the ECU.
If you don't get signals from crankshaft sensor, the fuel pump does not run when starting the engine and there are no sparks! Easy to check.
The immobilizer has no connection or influence to this! So please check why you can't measure 12V at the Injector when ignition is on.
Other things:
The Fuel Pump gets a signal for priming the system for about 3 seconds.... not 10! If the Fuel pump is running for 10 seconds, there's something wrong.
If you can engage the starter motor, there's nothing wrong with your immobilizer. No need to change any wiring.
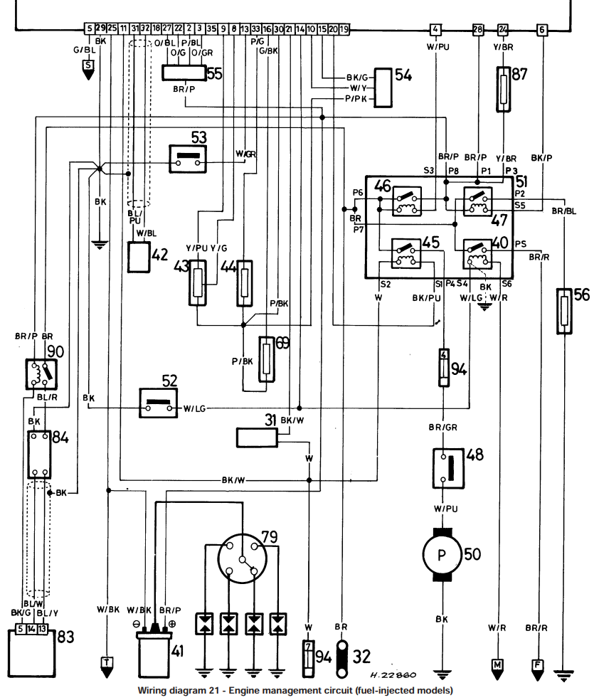
Injector is No. 87 in the upper right corner.
-
Hello, thank you very much for your help, if it takes 3 seconds, 2 wires arrive at the injector, one yellow/brown and one blue/gray that come out of the ECU, both have continuity but 12v does not arrive. 5 v AC comes out from the crankshaft sensor when starting is tested
-
As Dougie writes, the Immobilizer is not the problem if you can engage the starter.
Here is a list of sensors:
Messwerte SPI Sensoren - Das große Mini Forum (mini-forum.de)
-
If there are no 12V on the Yellow/Brown cable of the injector when ignition is switchted on, check the same cable at the MFU (Multi Function Unit or Relay Box)
See picture I attached before.
Sometimes a missing Ground/Chassis connection is giving weired symptoms. So check for proper chassis ground as well.
-
ok, I'll look at all this, thank you very much for your answers
-
in the mfu there is no yellow/brown wire is it possible? the yellow/brown and grey/blue wires from the injector come out of the ecu
-
In that case you don't have a SPI from 1995 but earlier ... I assume 1994 ...
I assume your ECU has a defect and needs repair. -
on the file it says that the first registration is from 03.11.1995 I don't know, that says
-
The ECU MNE101070 is normally from early SPIs and has 1 connector.
Later SPIs come with 2 connectors.
But...why do you have an immobilizer?
Normally they are used with the ECU MNE101170
-
Very early SPI -> MEMS 1.2 (without catalytic converters, very rare) - One big Plug 36pin
Early SPI -> MEMS 1.3 - One big (36 pin) & one small Plug (18 pin)... approx 1992 - 1994
Later SPI -> MEMS 1.6 - One big Plug (36 pin) ... approx 1994 - 1996
I assume we have a MEMS 1.3 in this case, otherwise the injector wiring does not fit - or something has been modified.
Did the car run before? -
Yes, it worked perfectly, I left it stopped for more than 6 months and now it won't start. It only has a 36 PIN plug and a catalytic converter too
-
This is really strange. However, its a Mini...
Never the less: without Power at the Injector, its clear the engine won't start.
You can tempoary try providing 12V directly to the Yellow/Brown Cable and check if this works.
On ECU you need to measure:
Pin 11: Ignition +12VPin 28: Main Power +12V when ignition is on
Pin 29: ECU Ground
Jetzt mitmachen!
Du hast noch kein Benutzerkonto auf unserer Seite? Registriere dich kostenlos und nimm an unserer Community teil!