8A Blinkersicherung fliegt

  • Moin,

    Hab das Phänomen, dass die 8A Blinkersicherung immer fliegt, wenn ich fahre. Im Stand geht alles und ich kann auf den sichtbar liegenden Kabeln am Sicherungskasten z.B. rumdrücken und alles ist ok. Sobald ich fahre ist sie recht flott hin.

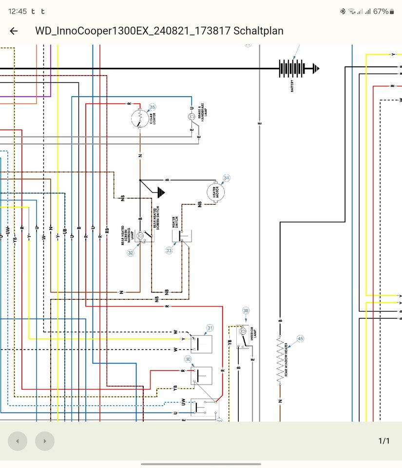
    Im Schaltplan steht was von Rear Heater Switch und Heater Motor. Also ne beheizte Heckscheibe hab ich nicht. Der Ventilenti der Innenraumlüftung geht auch, wenn die Sicherung i.O. ist.

    Gibt es bekannte Scheuerstellen, die ich mal prüfen kann? Was ist der Heater Motor?

    Sonnige Grüße

    Michael

  • Heizungsgebläsemotor ist damit gemeint.

    Was geht den alles nicht wenn die Sicherung draußen ist? Und fliegt sie nur wenn die Heizung an ist oder immer?

    Darfst nicht ausschließlich nach Schaltplan gehen, bei einem so alten Auto hat sicher mal wer was gebastelt....

    Auf Erfahrung vertrauen

  • sie fliegt übrigens einfach so während der Fahrt. Ich hab jetzt mal einmal bewusst gar nicht geblinkt und am Ende war sie durch. Das Gebläse hab ich auch nie an

  • So aus dem Kopf, ist da nicht noch die Innenbeleuchtung mit drauf? Das könnte auch dazu passen, dass die Sicherung so fliegt. Bei einem Schlagloch könnte der Plus an der Beleuchtung mit Masse in Berührung kommen, wenn die Leucht schlecht montiert ist.

  • oh gute Idee. Da hab ich allerdings ein Problem, die geht nämlich nicht aus, wenn ich die Türen schließe. Deshalb hab ich das Glühobst rausgenommen. Vielleicht kommt da irgendwas dran. Ich geh direkt gucken :smile:

  • So aus dem Kopf, ist da nicht noch die Innenbeleuchtung mit drauf? Das könnte auch dazu passen, dass die Sicherung so fliegt. Bei einem Schlagloch könnte der Plus an der Beleuchtung mit Masse in Berührung kommen, wenn die Leucht schlecht montiert ist.

    Bei meinem 1977er 1100 Special hängt die Innenbeleuchtung zusammen mit der Warnblinkanlage an einer fliegenden Sicherung hinterm Luftfilter.

  • grad getestet, obwohl keine Sicherung drin ist, leuchtet die Lampe. (Sie funktioniert übrigens doch richtig 🫣)

  • Dein Inno hat ja auf jeden Fall andere Armaturen, also hat da schon mal jemand an der Elektrik gestrickt.😉

    ⚠️ Tipps von mir basieren auf Erfahrungen, die schon ein bißchen was her sind. Können und müssen nicht ganz aktuell sein ⚠️ Wird aber besser, da aktuell Inno in Wiederbelebung :cool:

  • Ist das eigentlich wirklich so? Hatte nicht der 1000er das Tachoei und der 1300er die ganze Leiste?

    Meiner war ja mal ein 1000er 😉

  • Bei meinem 1977er 1100 Special hängt die Innenbeleuchtung zusammen mit der Warnblinkanlage an einer fliegenden Sicherung hinterm Luftfilter.

    Das ist ja auch ein Engländer bzw Belgier und da ist das richtig so. Der Inno hat auch ganz anderen Kabelbaum und auch anderen Sicherungskasten, der keine Glassicherungen benutzt, sondern diese gängigen Dinger, die früher in allen Autos verbaut wurden, bevor die Flachstecksicherungen erfunden wurden . Sogenannte Torpedo oder Abschmelzsicherungen https://amzn.eu/d/bhUKC7G

    ⚠️ Tipps von mir basieren auf Erfahrungen, die schon ein bißchen was her sind. Können und müssen nicht ganz aktuell sein ⚠️ Wird aber besser, da aktuell Inno in Wiederbelebung :cool:

  • Ist das eigentlich wirklich so? Hatte nicht der 1000er das Tachoei und der 1300er die ganze Leiste?

    Meiner war ja mal ein 1000er 😉

    Das habe ich gerade versucht zu ergründen in meinem Mini Buch, bin aber nicht schlau draus geworden. War deiner ein 998? Kein 1300er vor Export?

    ⚠️ Tipps von mir basieren auf Erfahrungen, die schon ein bißchen was her sind. Können und müssen nicht ganz aktuell sein ⚠️ Wird aber besser, da aktuell Inno in Wiederbelebung :cool:

  • Eigentlich ganz einfach,

    Zieh die Kabel von der heizbar Heckscheibe und vom Heizungsgebläse ab, fliegt dann noch die Sicherung sind es die Blinker.

    Da ist vorne schonmal gerne Feuchtigkeit drinnen.

    Notfalls Kabel am Schalter Heizbare Heckscheibe entfernen, vielleicht hat der einen weg.

    Also normale Diagnose, eins nach dem anderen ausschließen......

    Schönen Sonntag

    MK Fünnef

    Liebe kann man fahren!
    :wrench: wir sind die Minirabauken :wrench:
    :thumbs_up:Support your local dealer:thumbs_up:

  • Er hat ja keine heizbare Heckscheibe.

    Aber genau so alles ausstecken und sich vorarbeiten. Bei einem bekannten hing ein Kabel mal einfach so auf den Tank runter und ist halt ab und zu dagegen gekommen....

    Auf Erfahrung vertrauen

  • Jürgen: um genau zu sein, ist es sogar ein Mini Matic 1000 😉

    Eigentlich kann der Fehler ja nur vom Sicherungskasten aus hoch zum Blinkerschalter / Gebläse sein. Bin ja eine Runde ohne einmal zu blinken gefahren und das Gebläse war aus und nachher war die Sicherung trotzdem durch.

    Hab keine beheizbare Heckscheibe 😊

  • Oha, sogar mal Automatik gewesen 🫣🫣 wilde Auto du hast 🤣🤣 Aber schön 👍 Mach mal Foto vom Sicherungskasten, wer weiß was da verbaut wurde 🫣🫣🫣

    ⚠️ Tipps von mir basieren auf Erfahrungen, die schon ein bißchen was her sind. Können und müssen nicht ganz aktuell sein ⚠️ Wird aber besser, da aktuell Inno in Wiederbelebung :cool:

  • Aber vielleicht ein Kabel was gegen Masse kommt

    Ich hatte mal nen Pluskabel zur Batterie was abisoliert bei Feuchtigkeit den Kontakt zum Bodenblech fand....

    Tschö MKFÜNNEF

    Liebe kann man fahren!
    :wrench: wir sind die Minirabauken :wrench:
    :thumbs_up:Support your local dealer:thumbs_up:

  • Oha, sogar mal Automatik gewesen 🫣🫣 wilde Auto du hast 🤣🤣 Aber schön 👍 Mach mal Foto vom Sicherungskasten, wer weiß was da verbaut wurde 🫣🫣🫣

    Vermutlich der Cooper Kasten sonst hätte er nicht so viele Sicherungsplätze.

    MKFÜNNEF hat recht, Kann gut sein das er das Kabel für die Heckscheibe hat und dies gegen Masse kommt

    Auf Erfahrung vertrauen

  • Also vermutlich den

    ⚠️ Tipps von mir basieren auf Erfahrungen, die schon ein bißchen was her sind. Können und müssen nicht ganz aktuell sein ⚠️ Wird aber besser, da aktuell Inno in Wiederbelebung :cool:

  • achso ihr meint, dass bei mir vielleicht trotzdem das Kabel für eine evtl. Heckscheienheizung verlegt ist? Wo würde das denn entlanglaufen?.


    Ja genau, den hab ich und die dritte von links geht durch

Jetzt mitmachen!

Du hast noch kein Benutzerkonto auf unserer Seite? Registriere dich kostenlos und nimm an unserer Community teil!