Liebe Freunde der kleinen süßen Autos von der Insel!
Aus aktuellem Anlaß möchte ich mal einige Details der Eelektrik des Wischermotors posten, damit der Mini-Fahrer seinen Freund, den Scheibenwischer besser versteht. Schließlich bereitet dieser doch des öfteren Probleme, was angesichts der britischen Klimaverhältnisse kaum verständlich ist. Denn in einem Land, wo es dauernd regnet, sollte eigentlich die Zuverlässigkeit des Scheibenwischers ganz obenan im Pflichtenheft stehen...
Aber genug der Philosophie.
Alle Ausführungen hier beziehen sich auf den Motor Lucas 14W, den Mini SPI von Anfang der 90er mit Lenkstockschalter, die Kabelfarben sind die an meinem Mini (EZ 92). Ich weise ausdrücklich darauf hin, daß die Eelektrik der Minis viele von dieser hier abweichende Varianten kennt, auch bin ich nicht frei von Irrtümern und für jeden sachlichen Hinweis dankbar.
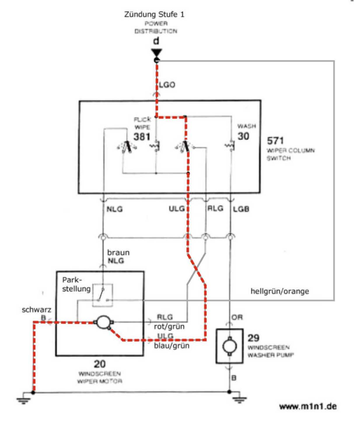
Zunächst zur Schaltung. Es handelt sich um einen permanent erregten Gleichstrom-Motor mit 2 Geschwindigkeits-Stufen, einem durch einen Nocken betätigten Umschalter am Motor, etlichen Kabeln mit Steckern und dem Lenkstockschalter. Dieser enthält 2 parallele Stufenschalter (von oben, im Bild von rechts): Dauer Stufe 2, Dauer Stufe 1, Aus, einmal wischen. Letztere Stufe rastet nicht ein, ist also nur ein Tip-Schalter. Auch ist ein Schalter für die Waschanlage enthalten, der ist aber so simpel, daß sich hier weitere Erklärungen erübrigen.
Hier im Forum und auch in so mancher Veröffentlichung ist die Schaltung mitunter fehlerhaft dargestellt.
In der anhängenden Datei habe ich die häufigsten Fehler korrigiert (schwarz hervorgehoben). Eigentlich ist das immer noch nicht korrekt, denn die Taste für "einmal wischen" (Tipstellung unten) ist streng genommen kein separater Schalter, sondern die Stellung unten (im Bild links) des rechten Schalters. Aber das kann mit einiger Phantasie auch so erkennen.
In den folgenden Beiträgen erkläre ich die Funktionsweise in allen Varianten.
Scheibenwischer - Details
-
-
Hier nun der Motor aus der Nähe. Nach Abnahme der Plastik-Abdeckung sind die Steckverbinder und der Umschalter (für MINI-Verhältnisse) relativ gut zugänglich. Man kann den fünfpoligen Stecker erfahrungsgemäß nur schwer ziehen, er hat zwar keine Arretierung, aber gammelt gern fest. Am besten am Tag vorher etwas WD40 hineinsprühen. Gewalt führt zwar gelegentlich auch zum Ziel, hinterläßt aber Spuren (im Bild sichtbar).
-
Bei Problemen mit Parkstellung und Rücklauf ist meist der Umschalter (direkt darunter) bzw. die Kontakte daran die Ursache.
Hier sind die Details dargestellt, die beiden Kontakte unten (Kabel rot/grün und blau/grün) gehen durch den Schalter durch und gehen direkt zu den beiden Plus-Kohlenbürsten (Stufe 1 rot bzw. 2 gelb). Der Kontakt links (schwarz) ist die Masse und geht sowohl zum Schalter als auch zum Motor (blau).
Am Schneckenrad, das über das Pleuel die biegsame Zahnstange und damit letztendlich die Wischer betätigt, ist ein Nocken, das in der Endstellung den Schalter wie dargestellt betätigt.
Der Schalter läßt sich leicht durch Verschieben in der angegebenen Richtung demontieren, er wird nur von einem Federclip gehalten. Man muß also den Wischermotor nicht ausbauen (so viel Servicefreundlichkeit ist für einen MINI eher ungewöhnlich!). Zum Wechseln der Kohlen allerdings ist der völlige Ausbau nötig.
Der Aus- und Einbau des Schalters wird übrigens erleichtert, wenn der Motor NICHT in der Parkposition steht (dann ist der Nocken an anderer Stelle), aber Vorsicht, daß die Wischerarme nicht mit der Motorhaube kollidieren! -
Hier nun der Strompfad (rot gestrichelt) für die Stufe 2. Wie man sieht, hat der Schalter am Motor keine Funktion, daher funktioniert das auch meistens.
Mögliche Probleme:
1. Wischer arbeiten überhaupt nicht, Waschanlage auch nicht:
Sicherung durchgebrannt (hat meist seine Ursache in verschlissenem Kollektor), Fehler im Zündschloß oder sonstige Macke (bei mir war z.B. mal aus dem Steckverbinder an der Lenksäule ein Kontakt herausgerutscht, wodurch schlagartig alle Elektrik, die über das Zündschloß geht, tot war! Und das an einer Ampel!)
2. Wischer arbeiten überhaupt nicht, Waschanlage funktioniert:
wenn an den entsprechenden Kontakten keine Spannung anliegt: Steckverbinder und/oder Masseverbindung vergammelt bzw. unterbrochen, wenn Spannung anliegt: Motor kaputt
3. Wischer arbeiten in Stellung 2 nicht, aber in Stellung 1:
Schalter, Kabel bzw. Kontakte im gezeigten Strompfad sind irgendwo vergammelt oder unterbrochen, wenn an den entsprechenden Kontakten keine Spannung anliegt: Steckverbinder und/oder Masseverbindung vergammelt bzw. unterbrochen, wenn Spannung anliegt: Motor kaputt -
Hier nun der Strompfad (rot gestrichelt) für die Stufe 1. Wie man sieht, hat der Schalter am Motor keine Funktion, daher funktioniert das auch meistens.
Der Strompfad für das "einmal wischen" (beide Schalter ganz links) ist identisch, auf den Fehler in der Darstellung hatte ich schon hingewiesen.
Mögliche Probleme:
1. Wischer arbeiten überhaupt nicht, Waschanlage auch nicht:
Sicherung durchgebrannt (hat meist seine Ursache in verschlissenem Kollektor), Fehler im Zündschloß oder sonstige Macke in der Kabelei (dann geht z.B. auch das Heizungsgebläse nicht).
2. Wischer arbeiten überhaupt nicht, Waschanlage funktioniert:
wenn an den entsprechenden Kontakten keine Spannung anliegt: Steckverbinder und/oder Masseverbindung vergammelt bzw. unterbrochen, wenn Spannung anliegt: Motor kaputt
3. Wischer arbeiten in Stellung 1 nicht, aber in Stellung 2:
Schalter, Kabel bzw. Kontakte im gezeigten Strompfad sind irgendwo vergammelt oder unterbrochen, wenn an den entsprechenden Kontakten keine Spannung anliegt: Steckverbinder und/oder Masseverbindung vergammelt bzw. unterbrochen, wenn Spannung anliegt: Motor kaputt -
Wenn die Scheibenwischer ausgeschaltet werden und sich nicht in der Parkstellung befinden, tritt der Umschalter in Funktion, der Strompfad ist hier dargestellt. Über diesen Schalter wird der Motor weiter mit Strom versorgt, bis die Parstellung erreicht ist. Dies erfolgt über die Stufe 1 also langsam. Es gibt zwischen den beiden Stellungen am Lenkstockschalter eine kurze Stelle, wo der Strompfad Dauer schon unterbrochen, der Strompfad Parken aber noch nicht geschlossen ist, wenn also langsam umgeschaltet wird, stockt der Wischer mal kurz. Dies ist kein Fehler, sollte aber wegen der Funkenbildung am Schalter vermieden werden.
Wird dabei die Zündung ganz ausgeschaltet, bleiben die Wischer natürlich auch stehen, fahren aber dann beim Einschalten in die Endstellung.
Mögliche Probleme:
Wischer bleiben beim Abschalten stehen und fahren nicht oder nur langsam und ruckelnd in die Parkposition (häufiger Fehler, hört man gelegentlich auch als Störungen im Radio/CB-Funk):
Ursache sind fast immer korrodierte Kontakte, und hier zumeist Live (Zündung plus am Steckverbinder Motor, rot/grün) und /oder Park (braun oder orange). Da diese Kontakte bei eingeschalteter Zündung ständig unter Spannung stehen, bilden sich in Anwesenheit leitender Flüssigkeiten (Wasser, Auftaumittel) schöne Lokalelemente, die nach dem Prinzip der Opferanode die schwache Kupferschicht auf den Kontakten angreifen. Bald ist nur noch Rost übrig, der Umschalter und evtl. der Kontakt im Stecker müssen erneuert werden.
Vorbeugung: Ab und zu den Stecker ziehen und Dreck, Feuchtigkeit usw. entfernen, WD40 wirkt Wunder!
Es kann natürlich auch der Schalter selbst sein (kann man durch Spannungsmessung an den beiden genannten Kontakten herausbekommen, Vorsicht! Wischerarme können mit Motorhaube kollidieren!), aber das ist egal, da der ja dann zwangsläufig mit gewechselt wird.
Man kann den Schalter auch (gewaltsam) öffnen die Kontakte reinigen und/oder justieren und ihn dann wieder zukleben, aber das hat nur Sinn, wenn die Steckverbinder außen keine Korrosion aufweisen. -
In der Parkstellung muß der Wischermotor gebremst werden. Das muß sein, damit er nicht ungewollt weiterläuft. Der Nocken, der den Umschalter betätigt, ist recht klein und schaltet den Strom nur kurzzeitig ab. Da in der Parkstellung die Wischer stehen und die Kraftübertragung etwas Spiel hat, läuft der Motor in diesem Augenblick ohne mechanische Belastung, also ganz frei. Da würde der Schwung reichen, um ihn über diese Position hinaus drehen zu lassen, der Umschalter würde wieder schalten und ihn mit Strom versorgen, usw.
Das Bremsen erfolgt durch Kurzschluß. Die Motorwicklung bewegt sich in einem Magnetfeld, es wird also wie in einem Generator eine Spannung induziert. wird diese kurzgeschlossen, so fließt ein Strom, der seinerseits ein Magnetfeld bewirkt. Dies ist nach der Lenzschen Regel seiner Ursache entgegen gesetzt, die daraus redzierende Kraft läßt den Motor fast schlagartig anhalten.
Mögliche Probleme:
Wischer läuft abgeschaltet über die Parkposition hinaus (läuft also ständig):
Nothilfe (wenn das unterwegs das erste mal auftritt): Zündung ganz ausschalten, wenn der Wischer kurz vor der Parkpostion ist, der Motor läuft dann (ungebremst) aus un bleibt zumeist in der Parkposition stehen, dann bekommt er keinen Strom mehr und das Ganze ist geklärt.
Beseitigung: Hier ist zu 100% der Schalter defekt, also wechseln! -
Noch ein Hinweis: Wenn die Sicherung des Scheibenwischers öfters herausfliegt, ohne daß der Scheibenwischer eingeschaltet war, kann eine Defekt im Schalter die Ursache sein. Bei mir war eine Kontaktzunge lose und hat durch Erschütterungen ab und zu einen Kurzschluß zwischen Live und Park (in der Parkposition mit Masse verbunden) erzeugt.
Diesen Fehler kann man lokalisieren, indem man einfach den Stecker am Wischermotor abzieht, wenn dann die Sicherung überlebt, spricht vieles dafür.
Damit mich nicht jemand auf Schadenersatz verklagt, möchte ich darauf hinweisen, daß dann natürlich der Scheibenwischer nicht funktioniert, man sollte das also nur bei schönem Wetter machen.
Ich hoffe, daß ich damit den MINI-Fans geholfen habe, immer klare Sicht nach vorn zu haben. Gern beantworte ich weitere Fragen oder freue mich über sonstige Erfahrungswerte.
Gruß, Chr. -
Vielen Dank für Deine Ausführung!
Zum Thema Wischer gibts ja immer wieder mal Probleme und Fragen!
Alle Elektri(c)k-Amateure (mich eingeschlossen) sind da für solche Erläuterungen sicher dankbar!
:thumpsup:
Gruß
Sven
-
Damit es nicht hinterher Ärger gibt, möchte ich auf folgendes hinweisen:
1. Zum Ausbau des Schalters muß man den in Fahrtrichtung hinten (also Nähe Spritzwand) etwas anheben, dort rastet eine Nase in das Gehäuse des Getriebes ein.
2. Es gibt je nach Rechts- bzw- Linkslenker 2 unterschiedliche Ausführungen des Wischermotors. Auf dem Blech, das das Getriebe abdeckt, ist neben dem "Lucas W14" ein Pfeil, der die Endlage anzeigt. Beim Linkslenker zeigt der zum Ende der biegsamen Zahnwelle.
3. Wenn die Wischer nicht in die Parkstellung laufen wollen UND es Probleme beim Bremsen gibt, liegt das wahrscheinlich am Lenkstockschalter und zwar am (in meinen Bildern) linken Kontakt. Das kann man schnell diagnostizieren, indem man bei hängengebliebenen Wischern den Hebel leicht nach vorn drückt.
Wie man das reparieret, ohne den Schalter zu wechseln, poste ich demnächst.
Allzeit gute Fahrt! Chr. -
Super! Danke. Endlich mal was vernünftiges über den Wischer.:thumpsup:
-
Hallo zusammen!
Als neuer stolzer Besitzer eines Minis habe ich ein paar Fragen, auf die ich in diesem Forum bestimmt Antworten bekommen werde!

Erst einmal Hallo an euch alle!
Ich hoffe ich habe mir für meinen ersten Beitrag den richtigen Thread ausgesucht - es sind nämlich verdammt viele... Ansonsten einfach verschieben!
Mein Problem ist folgendes:
Unter den Scheibenwischern befinden sich Gummiringe auf der Welle, welche von außen fest ans Windschutzblech geschraubt werden und sicherlich als Dichtung dienen. Eines dieser Gummis ist bei mir defekt und ich möchte es umtauschen da der Rost ja ein großer Feind des Kleinen ist.
Die Frage ist nur - wie?

Kann man den Scheibenwischer von außen einfach abnehmen, oder muss man da von Innen ran? Das Ersatzteil ist sogar schon bei mir angekommen!Im Voraus schon mal vielen Dank an euch und viele Grüße!
P.S.: Es handelt sich um einen MPI, Baujahr 1998
-
Wischer abnhemen, die sind nur gesteckt. Mutter lösen, Teil abnehmen, DIchtung abnehmen und wechseln, danach alles wieder zusammenbauen und festziehen. Wischer aufstecken. Fertig.
-
Wobei eine kleine Lasche den Wischer auf der Verzahnung hält. Diese Lasche kann man mit einem kleinen Schraubendreher von unten leicht wegdrücken, erst dann bekommt man die Wischerarme ab. Wenn man im auto sitzt kann man das besser sehehn.;)
Also Lasche zur Seite drücken und Wischer abziehen. :thumpsup: Wenn die schon lange nicht mehr unten waren, dann muß man da schon einige Male hin und her wackeln, bis die sich bewegen.:thumpsup: -
Dann werde ich mich da morgen Früh mal ran wagen. Danke für eure schnellen Antworten!

Gruß, Benjamin
-
Vielen Dank für diese ausführichen Tips, hoffe das hilt bei unserem Wischerproblem, das ich hier schon eingestellt habe.
Chris
-
Moin Zusammen,
ich bin seit dieser Woche auch stolzer Besitzer eines MK5 Baujahr 88. Der kleine hat noch keinen TÜV und das einzige was in meinen Augen gerade nicht so will ist der Scheibenwischer. Ich bin eigentlich nicht unbegabt was Motoren etc angeht, aber hinbekommen habe ich es trotzdem nicht.
Problem: Er scheint nicht genug Power zu haben sobald beide Wischerblätter die Scheibe berühren.
Klappe ich die Wischer von der Scheibe weg, drehen sie brav hin und her. Klappe ich einen runter, merkt man dass es etwas ruckelt. Klappe ich den zweiten runter bleibts einfach stehen bzw. bewegt sich noch ein paar Zentimeter und bleibt dann "stecken".
Habe den Motor ausgebaut und auf verdacht hin den Bürstensatz gewechselt. Schnecke, Ritzel etc. alles gereinigt und komplett neu gefettet. Kontakte am Schalter mit WD40 lieb gehabt. Alles wieder eingebaut - Fehlanzeige. Selbes Phänomen wie vorher, nur dass der Motor jetzt das sauberste im Motorraum ist.Habt ihr eine Idee?
Danke für eure Hilfe

Thomas -
Wenn Wasser auf der Scheibe ist, dann geht das auch etwas besser...

Und wenn Du den Motor draußen hast dann zieh die Welle mal raus, baue die beiden Umlenker wo die Wirscher dran sind aus und fette das frisch. Dann läuft das wieder.
-
Motor wieder raus und die Scheibenwischer Welle aus dem Trägerrohr ziehen, vorher die Wischer Arme abnehmen. Dann kann man die Wischergetriebe auf Leichtgängig prüfen, die gehen gerne mal fest mit der Zeit.
...genau.... nur zu langsam
-
Das hat leider nicht den gewünschten Erfolg gebracht. Vielleicht minimal besser, aber könnte auch Einbildung sein. Egal, in 3 Stunden kommt er eh in die Werkstatt.
VG
-
Jetzt mitmachen!
Du hast noch kein Benutzerkonto auf unserer Seite? Registriere dich kostenlos und nimm an unserer Community teil!